EasyManua.ls Logo

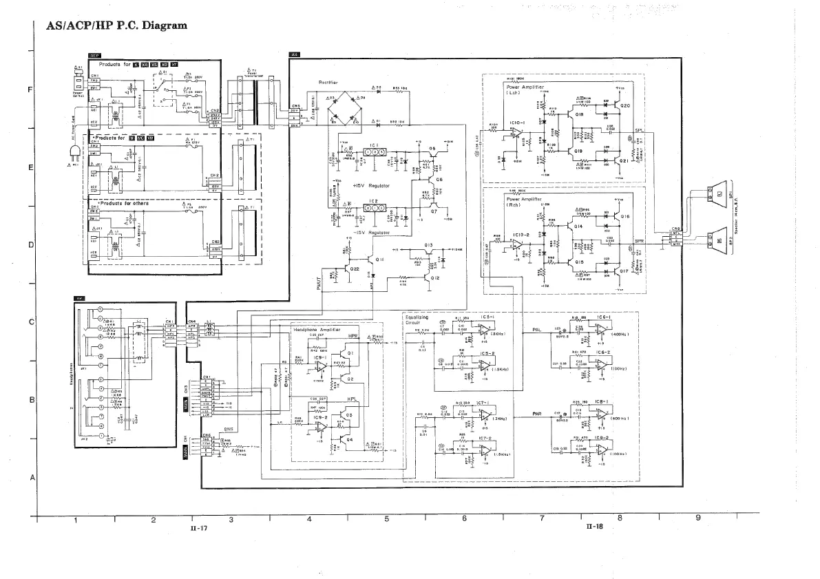
Technics SX-PX201 - AS;ACP;HP P.C. Diagram Details; AC Power Supply and Transformer Circuit; Headphone and Amplifier Circuits

Technics SX-PX201
38 pages
Print Icon
To Next Page IconTo Next Page
To Next Page IconTo Next Page
To Previous Page IconTo Previous Page
To Previous Page IconTo Previous Page
Loading...
AS/ACP/HP
P.C.
Diagram
Products
for
3%
Ea
An
rete
en
es
Pe
ss
r
aro
cof
ewe
.
H
mi9)
190%
os
.
Rectifier
1
|
=
Bh
AN
oy
Aor
nas
|
Power
Amplifier
es
t
Ti,
ale
eras
:
*
i
Leh)
or
!
3
1
oT
3]
aes,
hoe
H
1
8
fi
1+
Fa
BL
b---4]
Ria
aso
&
!
!
3
ja,
cN2
1°}
:
|
1
z
<
[Bev
|
Lot
4]
i
1
3
ar
4s
91
nse
soK
|
:
Tpaert
za
Bo]
Bg
ass
|
q
-
--
S
eiindined
T
ai
ar
|
||
!
|
ay!
1
baw
3
!
|!
1
ails
|
8},
PL
PO
ee
A
1
|
S
|
i
tine
tee
i
:
4
he
|
\
1
Re
3
i
L
1
L8hzoy
1
3
i
i
1
!
t
-f----7a4
|
Power
Amplifier
tyes
!
\
PSs
asov
an
|
|
(Reh)
a
!
I!
I
AGnse
i
:
j
|
=
V5
00
1
i
3
ae
}
i
7
lo
|
|
i
i
3
1
|
|
i
i
|
|
|
H
3
|
1
4
co
lo
1
!
L
|
Ec
i
|
|
thay
!
}
oT
\
!
es
;
1
|
5
|
2
|
=
i
=
_|--
|
Equalizing
fees
et
eas
peter
74
|
Circuit
@
i
Headphone
Amplifier
i 1
no
aK
ces
san
HER,
4
ns
|
T
a)
42
jaa
i
pt
|
1
oot
|
|
:
! |
@
A
t
\
te
oo
5
4
\
.SkHa)
Z|
*
|
2
eyo
|
fe
|
E
|
"
po
te
|
mig 390
IC7=1
{
5
i}
mg
nex
ea
1
SDE
(axa)
|
i
SNS
i
a
HS
i
ofr
na
Bes
en
|
tvee
2A
Apne
|
Taw
i
(skin?
‘ooks)
|
\
T
I
I-17
I-18
‘Speaker
14cm...

Related product manuals