EasyManua.ls Logo

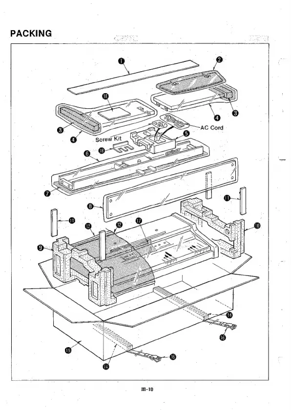
Technics SX-PX201 - Packing and Shipping; Packing Material Identification

Technics SX-PX201
38 pages
Print Icon
To Next Page IconTo Next Page
To Next Page IconTo Next Page
To Previous Page IconTo Previous Page
To Previous Page IconTo Previous Page
Loading...
PACKING

Related product manuals