EasyManua.ls Logo

TECNOEKA EKF 423 - Wiring Layout for EKF 423 M; EKF 423 M;3;100

TECNOEKA EKF 423
15 pages
Print Icon
To Next Page IconTo Next Page
To Next Page IconTo Next Page
To Previous Page IconTo Previous Page
To Previous Page IconTo Previous Page
Loading...
Electric Ovens rev. 8 ____________________________________ EKF 423 EKF 423 AL EKF 423/001 EKF 423 U
EKF 423 M EKF 423 M/3/100
_________________________________________________________________________________________ page 13
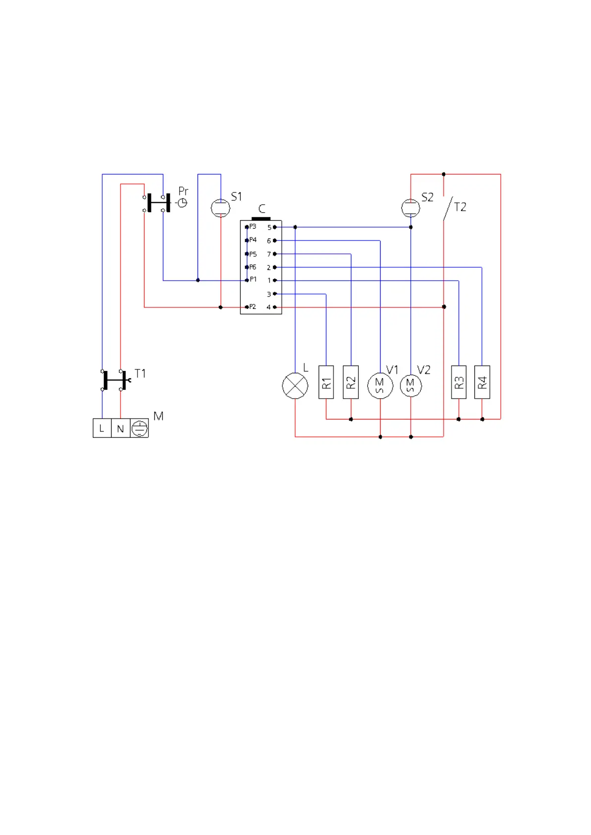
MODD. EKF 423 M EKF 423 M/3/100
Key
M Power supply terminal board
Pr "End of cooking" programmer
T1 Safety thermostat
T2 Oven thermostat
C Oven switch
S1 Programmer indicator light
S2 Thermostat indicator light
L Oven lighting lamp
R1 Grill heating-element
R2 Circular heating-element
R3 Bottom heating-element
R4 Top heating-element
V1 Radial motorised ventilator
V2 Tangential motorised ventilator

Related product manuals