EasyManua.ls Logo

TECNOEKA EKF 664 TC - Power and Control Diagrams (Models EKF 1664 TC - EKF 2011 TC)

TECNOEKA EKF 664 TC
55 pages
Print Icon
To Next Page IconTo Next Page
To Next Page IconTo Next Page
To Previous Page IconTo Previous Page
To Previous Page IconTo Previous Page
Loading...
__ TECNOEKA Srl ____________________________________________________ operating and instruction manual _
_ page 52 _________________________________________________________________________________________
MODELS
MODELSMODELS
MODELS
E
EE
EKF 1664
KF 1664KF 1664
KF 1664 TC
TC TC
TC –
E
EE
EKF 2011 TC
KF 2011 TCKF 2011 TC
KF 2011 TC
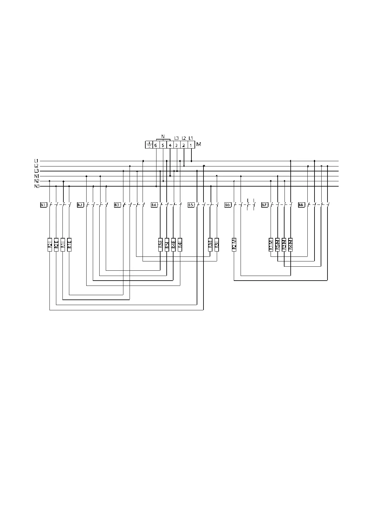
Power diagram
Power diagramPower diagram
Power diagram
Key
KeyKey
Key
M Power supply terminal block
L1 Line 1 terminal
L2 Line 2 terminal
L3 Line 3 terminal
N1 Neutral 1 terminal
N2 Neutral 2 terminal
N3 Neutral 3 terminal
B1-B2-B3-B4-B5-B6-B7-B8 Contactor coils
R1-R2-R3-R4-R5 Circular heating elements

Table of Contents