EasyManua.ls Logo

TECNOEKA EKF 664 TC - Page 53

TECNOEKA EKF 664 TC
55 pages
Print Icon
To Next Page IconTo Next Page
To Next Page IconTo Next Page
To Previous Page IconTo Previous Page
To Previous Page IconTo Previous Page
Loading...
_ Electronic convection oven _ rev. 0 ________________________MODD. EKF 664 TC – EKF 711 TC – EKF 1064 TC
EKF 1111 TC – EKF 1664 TC – EKF 2011 TC
_________________________________________________________________________________________ page 53 _
MODELS
MODELSMODELS
MODELS
E
EE
EKF 1664 TC
KF 1664 TC KF 1664 TC
KF 1664 TC –
E
EE
EKF 2011 TC
KF 2011 TCKF 2011 TC
KF 2011 TC
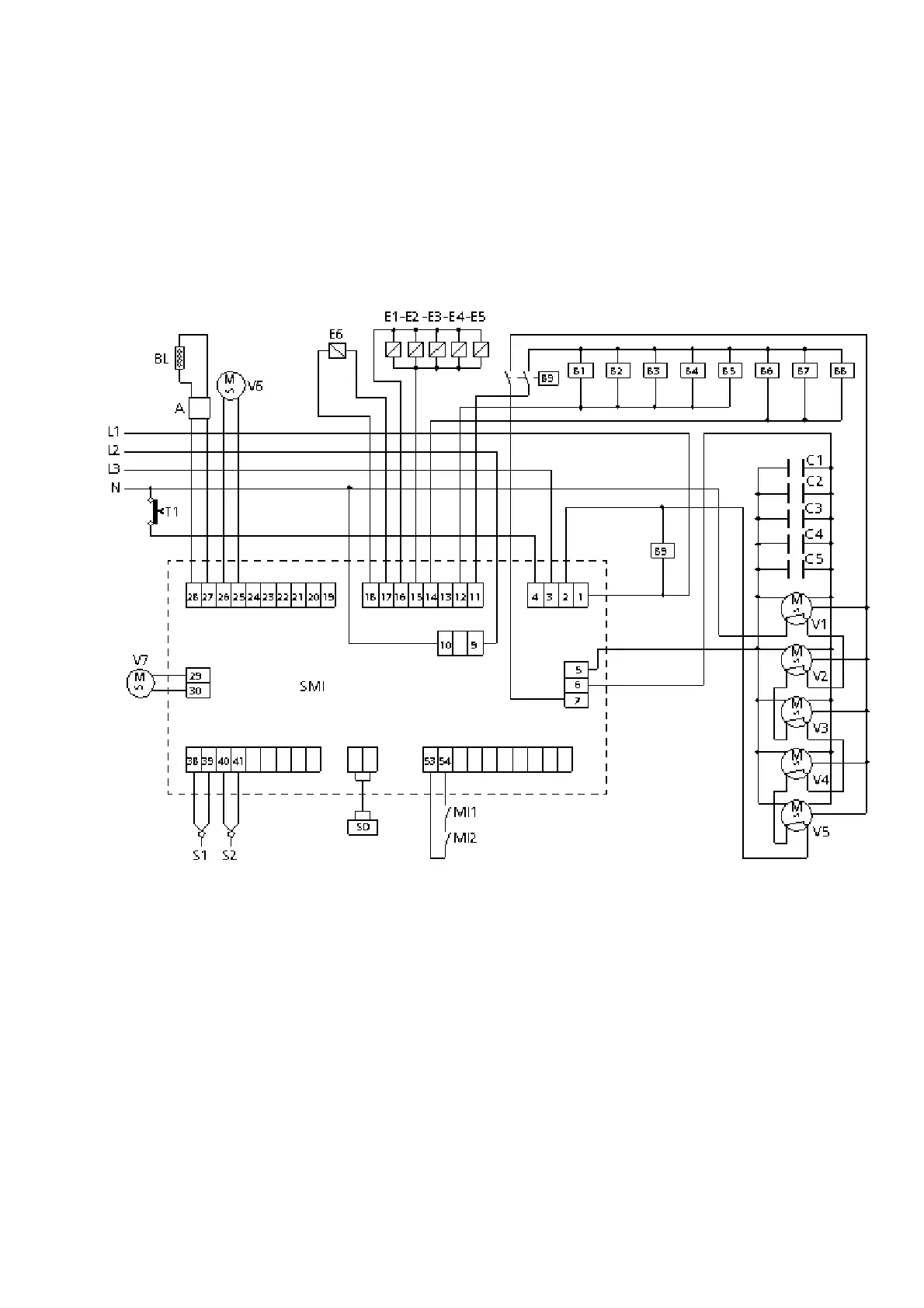
Control diagram
Control diagramControl diagram
Control diagram
Key
KeyKey
Key
M Power supply terminal
block
L1 Line 1 terminal
L2 Line 2 terminal
L3 Line 3 terminal
N Neutral terminal
B1-B2-B3-B4-B5-B6-B7-B8 Contactor coils
R1-R2-R3-R4-R5 Circular heating elements
E1-E2-E3-E4-E5 Water solenoid valves
C1-C2-C3-C4-C5 Capacitors
V1-V2-V3-V4-V5 Radial motor-driven fans
B9 Relay coil
V6-V7 Motor-driven cooling fans
A LED bar power supply
BL LED bar
T1 Safety thermostat
MI Door microswitch
S1 Oven cavity probe
S2 Food "core" probe
SMI Microprocessor board
SD Display board

Table of Contents