EasyManua.ls Logo

TECO JSDAP-30A - Page 83

TECO JSDAP-30A
255 pages
Print Icon
To Next Page IconTo Next Page
To Next Page IconTo Next Page
To Previous Page IconTo Previous Page
To Previous Page IconTo Previous Page
Loading...
4-6
B. Trial run in Speed control mode(Cn001=1).
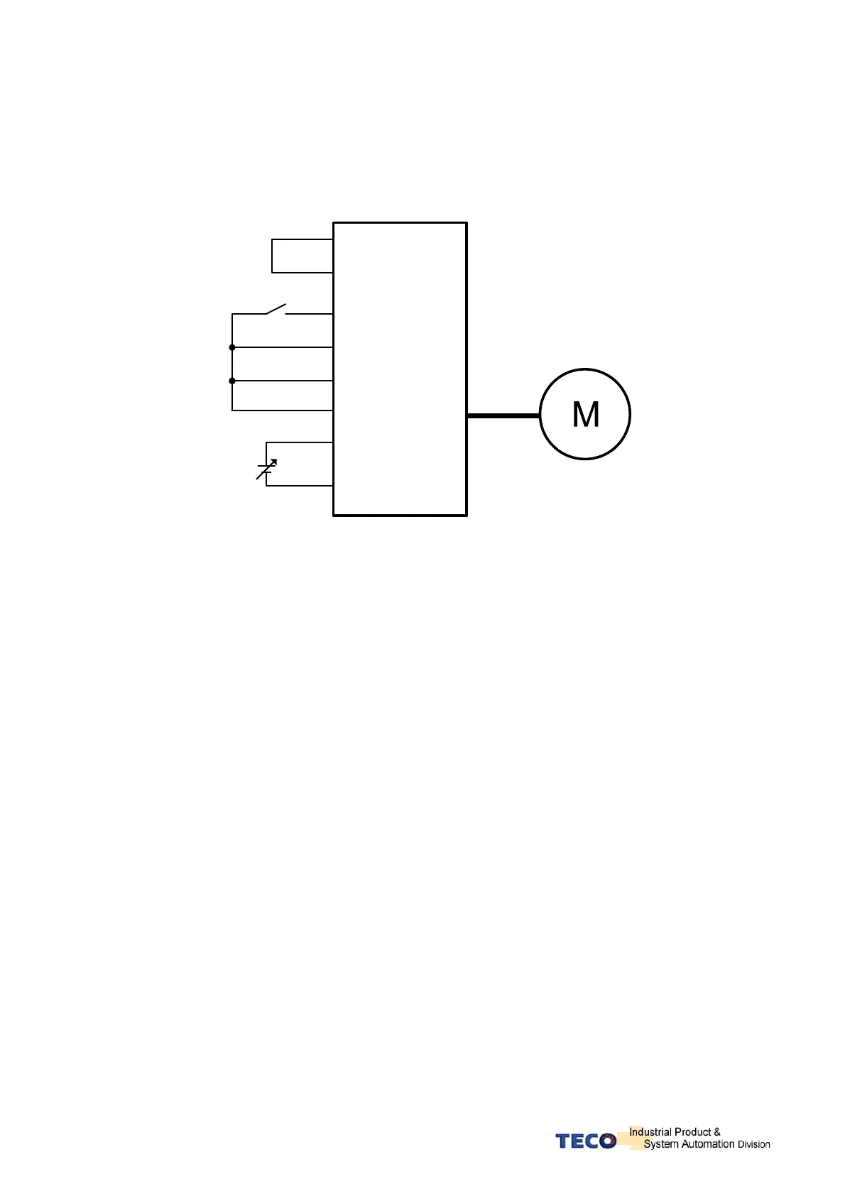
1. Wiring check:
Check and ensure that all power cable and control signal connections are correct as shown below.
To be able to adjust the speed for test connect a potentiometer between terminals SIN (analog input voltage)
and AG (Analog Ground). Set the analog input voltage to 0V. (No speed reference).
SIC
AG
CN1-26
CN1-32
SON
CCWL
CWL
CN1-1
CN1-4
CN1-5
CN1-45
CN1-47
CN1-48
IG24
IP24
DICOM
Servo Drive
Servo Motor
2. Apply Servo on.
Apply power to the drive and activate (SON) signal by switching SON terminal to IG24 (input digital Ground).
If the motor rotates slowly, while the speed analog input voltage is 0 volts
then use dn-07 function to auto offset adjustment for the analog input value. (refer to section 3-2-2).
3. Check the relationship between motor speed and the analog input speed command.
Increase the analog speed input voltage gradually (by potentiometer) and monitor the actual motor speed by
parameter Un0-01.
Check if motor rotation direction is correct and if necessary set it by parameter Cn004.
Check for correctness of analog speed command ratio in relation to the preset in parameter (Sn216) and
analog speed command limit as set in parameter (Sn218).
Finally, switch off SON signal (turn off the servo motor).

Table of Contents

Related product manuals