EasyManua.ls Logo

Tektronix 422 - Page 180

Tektronix 422
213 pages
Print Icon
To Next Page IconTo Next Page
To Next Page IconTo Next Page
To Previous Page IconTo Previous Page
To Previous Page IconTo Previous Page
Loading...
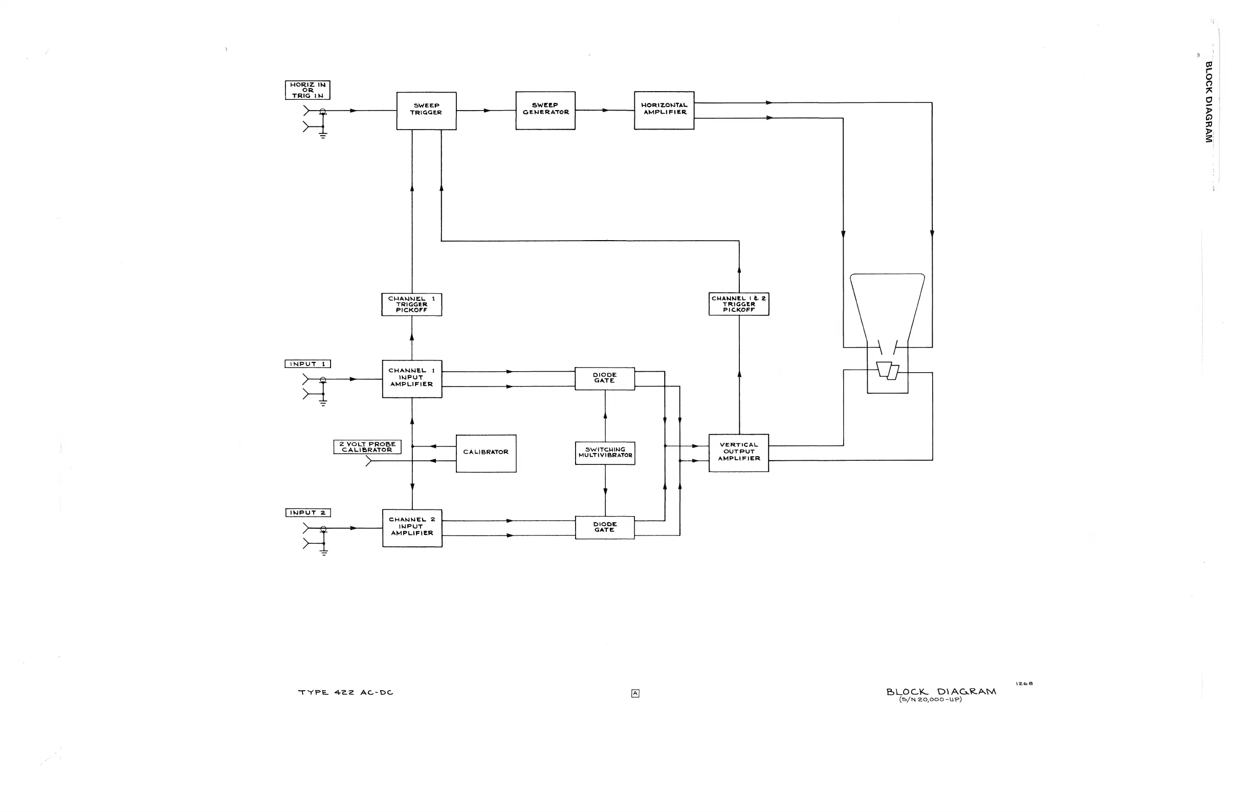
BU D C K - D \A G .£-A N \
(s>/N e o,ooo -u p)
T Y P E . 4 Z 2 A C - D C
0
\2 .fo e

Related product manuals