EasyManua.ls Logo

Tektronix 491 - Page 64

Tektronix 491
226 pages
Print Icon
To Next Page IconTo Next Page
To Next Page IconTo Next Page
To Previous Page IconTo Previous Page
To Previous Page IconTo Previous Page
Loading...
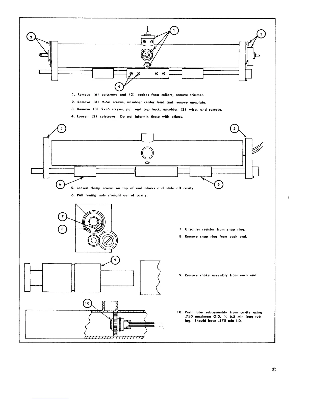
Fig. 4-20A. Tube subassembly removal procedure.
4-16

Other manuals for Tektronix 491

Related product manuals