EasyManua.ls Logo

Tektronix 492 - Page 203

Tektronix 492
303 pages
Print Icon
To Next Page IconTo Next Page
To Next Page IconTo Next Page
To Previous Page IconTo Previous Page
To Previous Page IconTo Previous Page
Loading...
Theory of Operation492/492P Service Vol. 1 (SN B030000 & up)
PISPLAY ENAB LEffi}-
'iPARE {«}-
BLANK ENABLE [ g ] -
EXT BLANK. 1 (|T3
EXT B L A N K 2 [ 2 } -
MAX HOLD {ts}-
p e a k / A V
5
[
30
}-
VALI3 © -
u p / d o w n 0 -
SERIAL
COMPARE
L/R SHIFT
REGISTER
WEM ORY IN iJJ j-
CO N STA N T £5f}-
B^A
(B-A>+ K
SERIAL
CALCULATOR
DISPLAY
KEQ1STE R
I
Η -Ξ
- H 3
-M 2 5
0 <
- Q 3
- H I ] 2
ps) 0
'
^V ER TIC AL DISPLAY
MAX
HOLD
ELAN KINQ
LC G ,iC
+ ( 24) BLANK IN G
t t U X
MEMORY OUT
PEAK/AVQ
SELECTOR
/ r
-
SUBTRACTOR
/
-
MINUEND
REiiiSTEK
\
PEAK
su b t r a h e n d
NUMERATOR
REGISTER
REGISTER R OISTER
25 BIT
ZS
SHIFT
-f
REGISTER
PEAK 17 to
1 DATA
DETECTOR
CONCENTRATOR
START DIViDE © - H
I
CLOCK [20}
INTERNAL
10 BIT
DIV! DE
COUNTER MAST ER
TiMiNQ
in t e r n a l
CLOCK
GENERATOR
WERT ACQUISITION
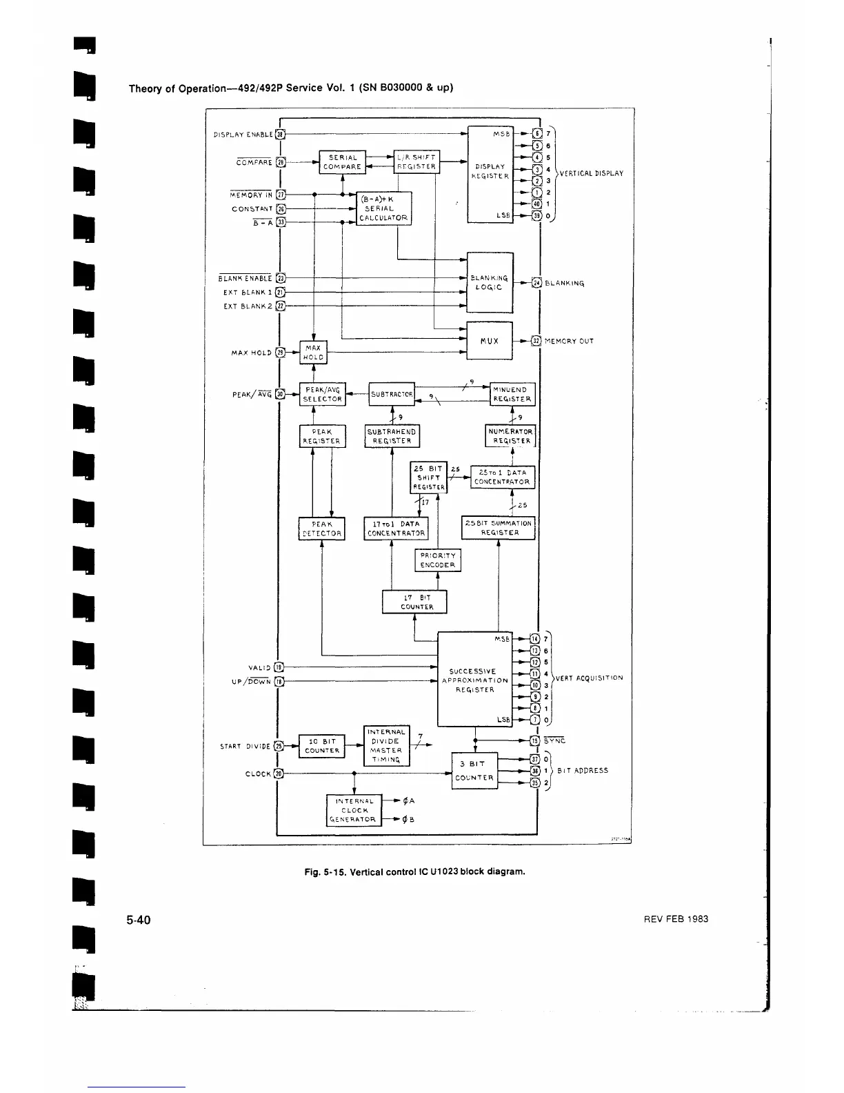
Fig. 5-15. Vertical control IC U1023 block diagram.
5-40
REV FEB 1983

Other manuals for Tektronix 492

Related product manuals