EasyManua.ls Logo

Tektronix TDS2022C

Tektronix TDS2022C
114 pages
To Next Page IconTo Next Page
To Next Page IconTo Next Page
To Previous Page IconTo Previous Page
To Previous Page IconTo Previous Page
Loading...
Performance Verication
4. Set the power su
pply to the 1.8 V value shown in column A, the Approximate
Test Voltage.
5. Adjust the ver
tical position knob for the DC line to position the line in the
center of the screen.
6. Enter the vo
ltage on the voltmeter and on the o scilloscope into the spreadsheet
in the appropriate columns, B and C.
7. Repeat step
s 4 through 6 for the values of 1.76 V through 0 V.
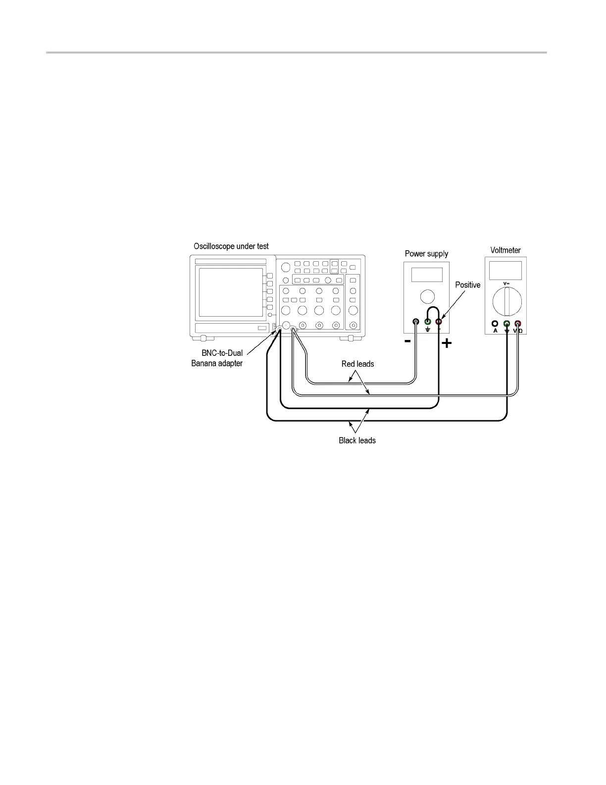
8. Swap the connections to the positive term inal of the power supply with those
at the nega
tive terminal as shown in the following gure:
9. Repeat steps 4 through 6 for the values of -0.04 V through -1.8 V.
10. Enter the Minimum Margin number (cell I16) for the channel tested in the
test record.
11. Repeat steps 1 through 10 for all input channels.
38 TDS2000C and TDS1000C-EDU Series Oscilloscope Service Manual

Table of Contents

Other manuals for Tektronix TDS2022C

Related product manuals