EasyManua.ls Logo

Telcoma EVO600 - Page 6

Telcoma EVO600
Print Icon
To Next Page IconTo Next Page
To Next Page IconTo Next Page
To Previous Page IconTo Previous Page
To Previous Page IconTo Previous Page
Loading...
5
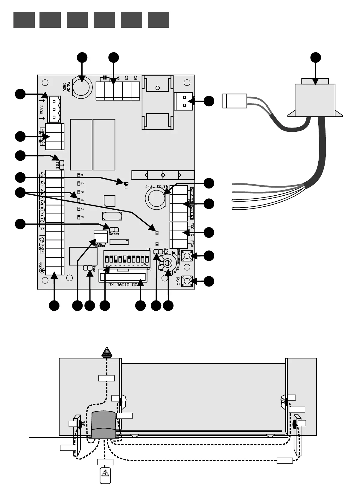
Fig. I
Fig. L
I
F E GB D NL
15
18
19
20
17
6
4
3
5
1
89
7
10
1114
21 22
12
13
P/P
PROG. STOP
2
16
2x1,50
Rx
Rx
Tx
4x0,50
2x0,50
2x0,50
Tx
4x0,50
3x1,50
230V

Related product manuals