EasyManua.ls Logo

Telefire ADR-7000 - Saver-7000 and Guard-7 Differences

Telefire ADR-7000
93 pages
Print Icon
To Next Page IconTo Next Page
To Next Page IconTo Next Page
To Previous Page IconTo Previous Page
To Previous Page IconTo Previous Page
Loading...
ADR-7000 / SAVER-7000 / GUARD-7
© 2017 Telefire Fire & Gas Detectors Ltd Revision 0.98 October 2017
Page 2 of 87
Each event is clearly detailed and allows for a quick and convenient identification of
alarms and faults to the end user, installer, and service technicians. Optional modules
allow for zone indication.
All configuration programming may be done via the built-in keyboard or with Telefire-
proprietary PC-based software. The ADR-7000's sophisticated microprocessor allows
easy configuration and modification in the field without the use of dedicated tools, while
providing access only to authorized personnel.
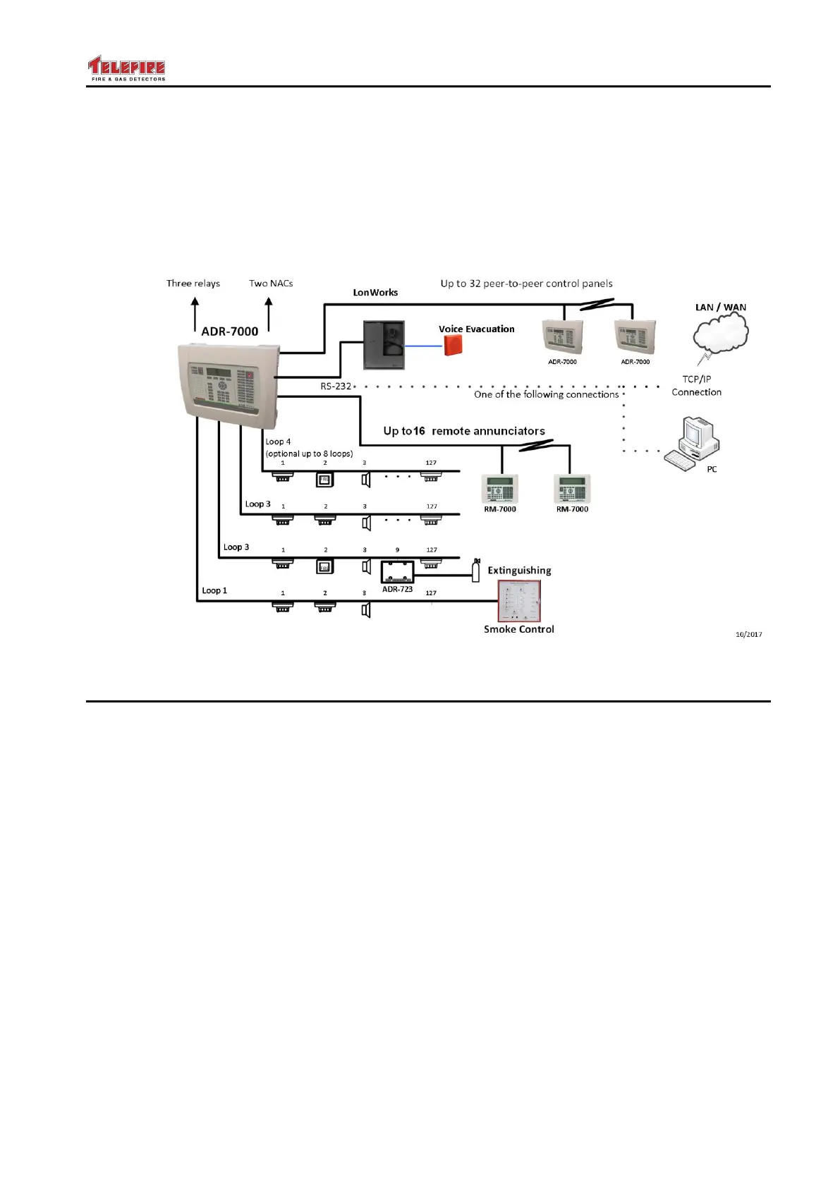
Figure 1 Typical ADR-7000 System
1.1 SAVER-7000 and GUARD-7 Differences
The SAVER-7000 is similar to the ADR-7000, but is stand-alone and can only have 2
loops and up to 3
RM-7000 remotes
The GUARD-7 is a stand-alone control panel that is limited to 60 addresses and can
only have 2 loops and up to 3 RM-7000 remotes

Table of Contents

Related product manuals