EasyManua.ls Logo

Telefire TSA-200 - 11 Extinguishing; 11.1 Adding Extinguishing Capability

Telefire TSA-200
79 pages
Print Icon
To Next Page IconTo Next Page
To Next Page IconTo Next Page
To Previous Page IconTo Previous Page
To Previous Page IconTo Previous Page
Loading...
TSA-200 / TSA-200XT / TSA-240 / TSA-240XT
© 2010 – 2014 Telefire Fire & Gas Detectors Ltd Revision 1.06 July 2014
Page 35 of 79
11 Extinguishing
11.1 Adding Extinguishing Capability
The basic TSA-200 (MB Only, no expansion module) is a CIE (Control and indication
equipment.) or, using another term, Fire alarm and detection device, or a FACP, A Fire
Alarm Control Panel
Installing the EM1 extinguishing expansion module modifies the TSA-200 into the TSA-
200XT, CIE/CDE (Control and Indication Equipment/Control and Delay Equipment), or a
Fire Alarm and EXTINGUISHING Control Panel.
The resident software detects the EM! Presence and adapts to it
Note! The EM1 and the EM1 Rev 1.1 have the same terminal block connection. The
differences are INTERNAL ONLY.
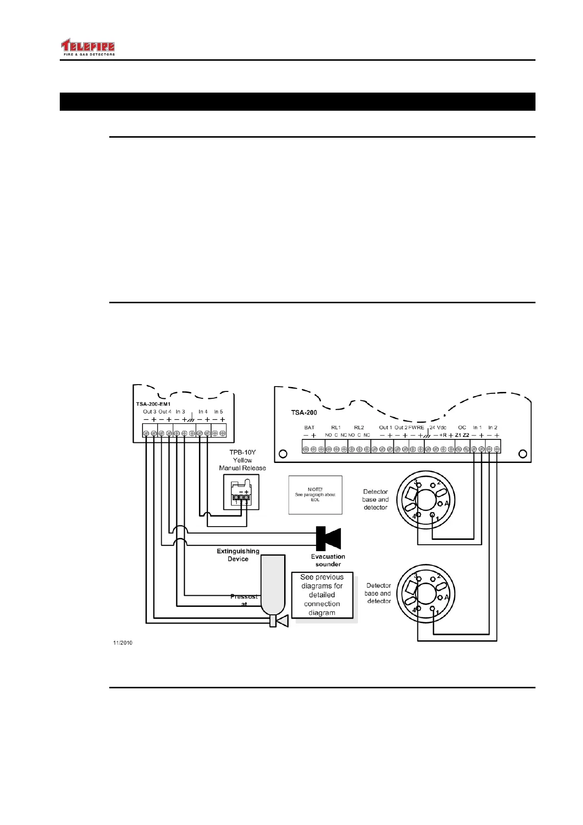
11.2 A Typical Application-Fire Extinguishing
The following example shows a TSA-200XT that is connected to two detection zones, a
Manual Triggering Device (Push Button), a pressure switch input, an Evacuation
sounder and an extinguisher. A Fire alarm device is not shown, nor are extinguishing
adapters shown.
EOL resistors are not shown, but ARE REQUIRED FOR PROPER OPERATION
Figure 10 A typical application – Extinguishing
11.3 Extinguishing Adapters
In order to connect the ECD extinguishing output to different actuators, it is necessary to
connect adapters between the ECD output and the extinguishing device input.
Telefire Ltd. offers several such adapters.

Table of Contents

Related product manuals