EasyManua.ls Logo

Telesis BenchMark 200 - BenchMark Tool Stand Specifications; Tool Stand Dimensions

Telesis BenchMark 200
8 pages
Print Icon
To Next Page IconTo Next Page
To Next Page IconTo Next Page
To Previous Page IconTo Previous Page
To Previous Page IconTo Previous Page
Loading...
BenchMark
®
200/BM470 Marking System
4 of 8 34743A
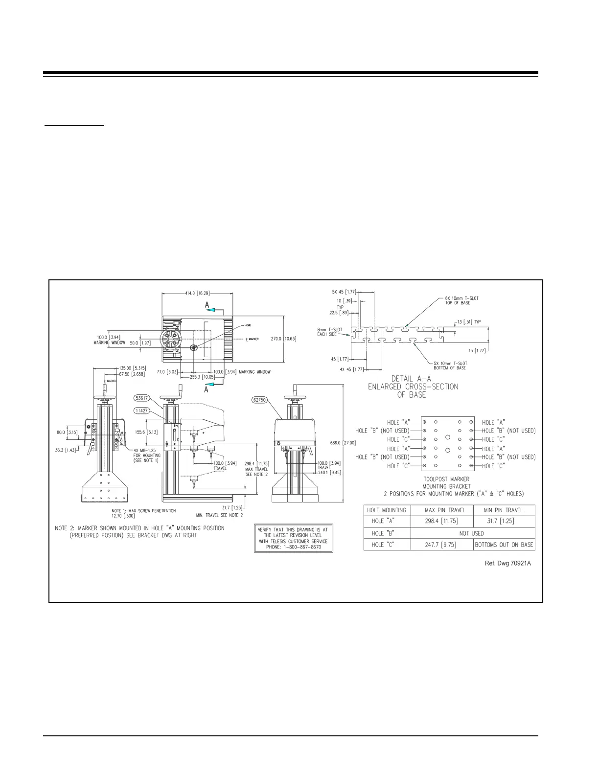
BENCHMARK TOOL STAND
Specifications
The BenchMark Tool Stand specifications are subject to change
without prior notice.
Dimensions (H x W x D) .......... 686.0 x 270.0 x 414.0 mm
(27.0 x 10.63 x 16.29 in.)
Height Adjustment ................... 298.4 mm (11.75 in.)
with standard 25XLE pin/cartridge
Weight ...................................... 13.9 Kg. (30.5 lb.)
Additional Features ............... see BenchMark Tool Stand
Dimensions drawing for details.
BenchMark Tool Stand Dimensions

Related product manuals