EasyManua.ls Logo

TEM A07A2200S - Page 108

TEM A07A2200S
121 pages
Print Icon
To Next Page IconTo Next Page
To Next Page IconTo Next Page
To Previous Page IconTo Previous Page
To Previous Page IconTo Previous Page
Loading...
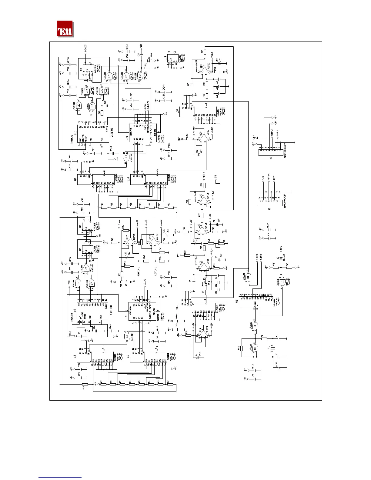
DT50-100 manual
380 209 R00 Pag. 100
DMPX
BOARD - STEREOCODER