EasyManua.ls Logo

TEM A07A2200S - CHAPTER 13: Driver Exciter

TEM A07A2200S
121 pages
Print Icon
To Next Page IconTo Next Page
To Next Page IconTo Next Page
To Previous Page IconTo Previous Page
To Previous Page IconTo Previous Page
Loading...
Ogni infrazione comporta il rsiarcimento dei danni conseguenti
there of for any purposes with out express written autorization by us is
legaly forbidden any offenders areliable to pay all relevant damages.
A
B
C
D
E
F
F
E
B
A
1
2
3 4
1
2 3
4
Sheet
Sheets
Scale
Equipment
Description
Size
A4
1:1
Approved
Edit.
Dwg
Code
1
1
Date
C
D
Drawn
File
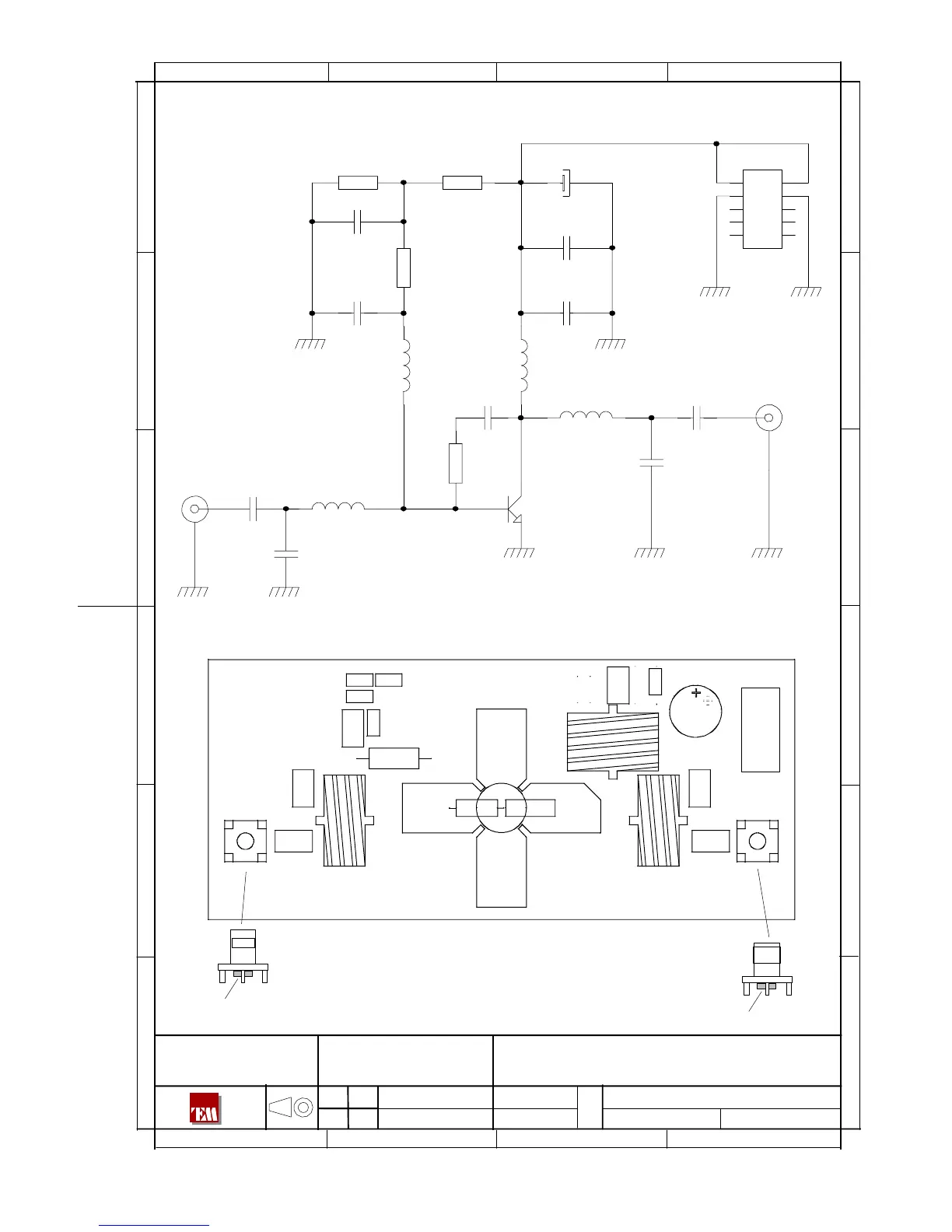
P.C.Board
0
Mrn-Mrz
Parts Placement
R2
C10
C9 L4
J1
C2
L1
C1
R3
R1
TR1
C7
R4
1n
C6 L3
L2
C3
C8
C4
C5
Vcontrol
J2
++
9
++
7
5
3
+ +
++
++
10
8
6
4
J3
1 2
6,8uH
220R
39p
SMB
180p
3sp d7 filo 0.8
IND
1n
100n
820R
2K7
470R
BFQ68
6p8
8sp d7 filo 0,8
3sp d5 filo 0.8
IND
IND
1n
180p
100n
100u
SMA
VASC10
32932
Driver exciter 2 KW FM
J1 J2
C7
C10
L4
C9
C8
TR1
C6
R4
L1
1
C4
C5
C3
R2
R3
C2
C1
R1
J3
L3
L2
JA1-Teflon
JA1-Teflon
13M30150
A termini di legge è vietato riprodurre questo documento,
od utiliz-
zare il contenuto senza nostra preventiva autorizzazione
scritta .
Coping of this document, disclosi
ng it to third parties or using contents