EasyManua.ls Logo

Temcoline T34 - Page 13

Default Icon
34 pages
Print Icon
To Next Page IconTo Next Page
To Next Page IconTo Next Page
To Previous Page IconTo Previous Page
To Previous Page IconTo Previous Page
Loading...
www.temcoline.com
DIGITAL PID CONTROLLER
3) T37 (72x72 mm)
4) T39 (96x96 mm)
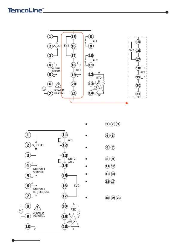
※ Terminal explanation (T39-S00)
Terminal :
OUT1 only for output
selection no. 0, 3 (Relay output) mode.
Terminal
: OUT1 only for output.
selection no. 1, 2 (SSR, SCR output) mode.
Terminal :
RET(Retransmission 4~20mA)
or for power of sensor SPS. (DC 15V)
Terminal :
Power supply terminal.
Terminal :
Alarm1 output terminal.
Terminal :
Alarm2 output terminal.
Terminal : The external D.I input
terminal may be used when (DIS=ON), and
the target value may be controlled. (SV1, SV2)
Terminal : Input terminals.
13
OPTION
Option 3
(T37-S3x)
T37
T39

Related product manuals