EasyManua.ls Logo

Tenma 72-630 - Page 2

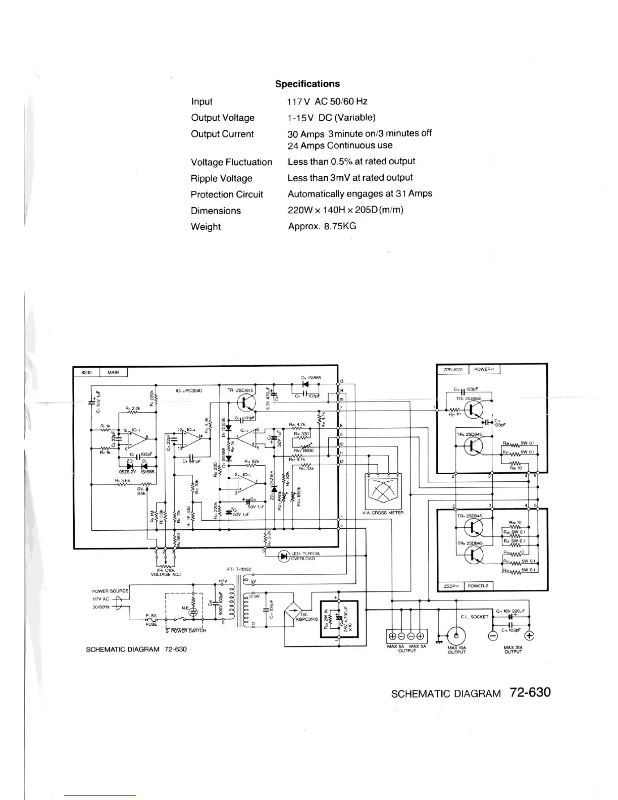
Tenma 72-630
2 pages
Print Icon
To Previous Page IconTo Previous Page
To Previous Page IconTo Previous Page
Loading...

Related product manuals