EasyManua.ls Logo

Terhi 445C - Wiring Diagrams

Default Icon
20 pages
Print Icon
To Next Page IconTo Next Page
To Next Page IconTo Next Page
To Previous Page IconTo Previous Page
To Previous Page IconTo Previous Page
Loading...
ENGLISH
Terhi – Owner’s manual
9
Terhi – Owner’s manual
8
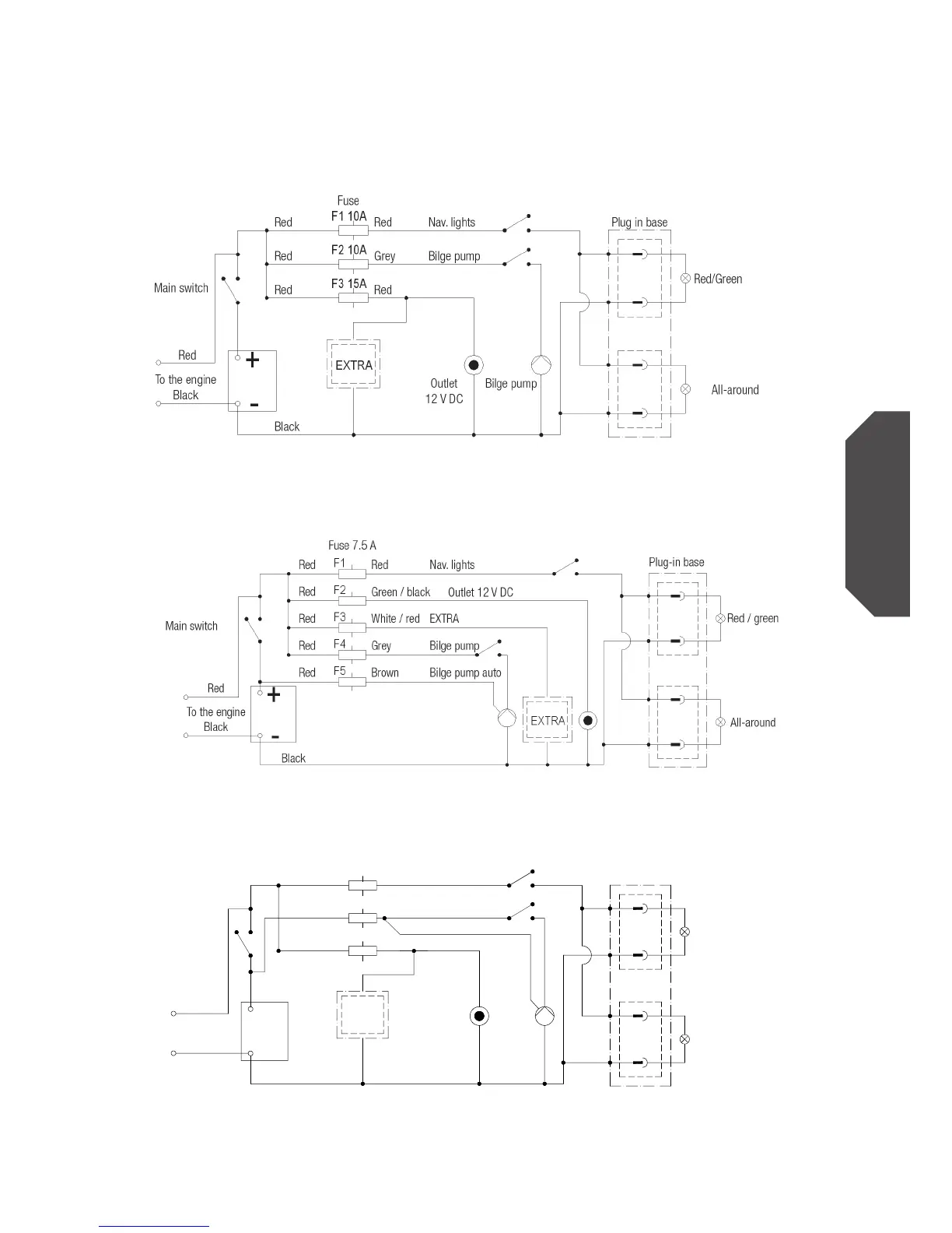
3.4 Wiring diagrams
Figure 5. Terhi 475 Twin C and Terhi 445 C wiring diagram
Figure 6. Terhi Nordic 6020 C wiring diagram




























Figure 7. Terhi 475 BR wiring diagram

Related product manuals