EasyManua.ls Logo

TERSUS BCPI13 - Electric Wiring Diagram

Default Icon
59 pages
Print Icon
To Next Page IconTo Next Page
To Next Page IconTo Next Page
To Previous Page IconTo Previous Page
To Previous Page IconTo Previous Page
Loading...
- 21 -
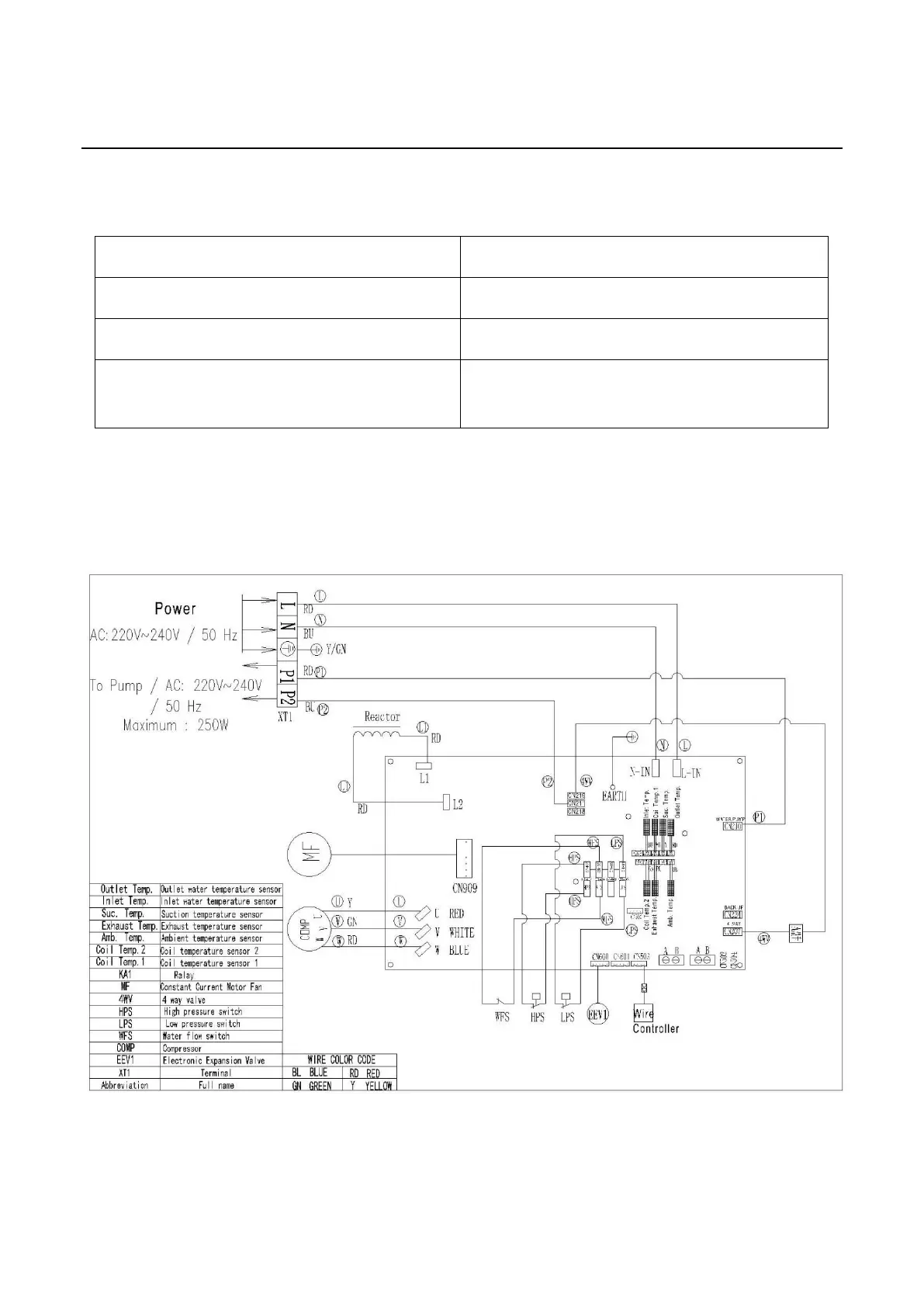
7.4 Electric wiring diagram
COMP : COMPRESSOR
GND : GROUND
AMBT: AMBIENT TEMPERATURE SENSOR
WFS: WATER FLOW SWITCH
LOW : LOW PRESSURE SWITCH
HIGH : HIGH PRESSURE SWITCH
COIL: EVAPORATOR COIL TEMPERATURE
SENSOR
OWT/INWT: INLET / OUTLET WATER
TEMPERATURE SENSOR
Figure 12 Electrical wiring diagram

Related product manuals