EasyManua.ls Logo

Tescom DS340H - Page 49

Default Icon
69 pages
Print Icon
To Next Page IconTo Next Page
To Next Page IconTo Next Page
To Previous Page IconTo Previous Page
To Previous Page IconTo Previous Page
Loading...
47
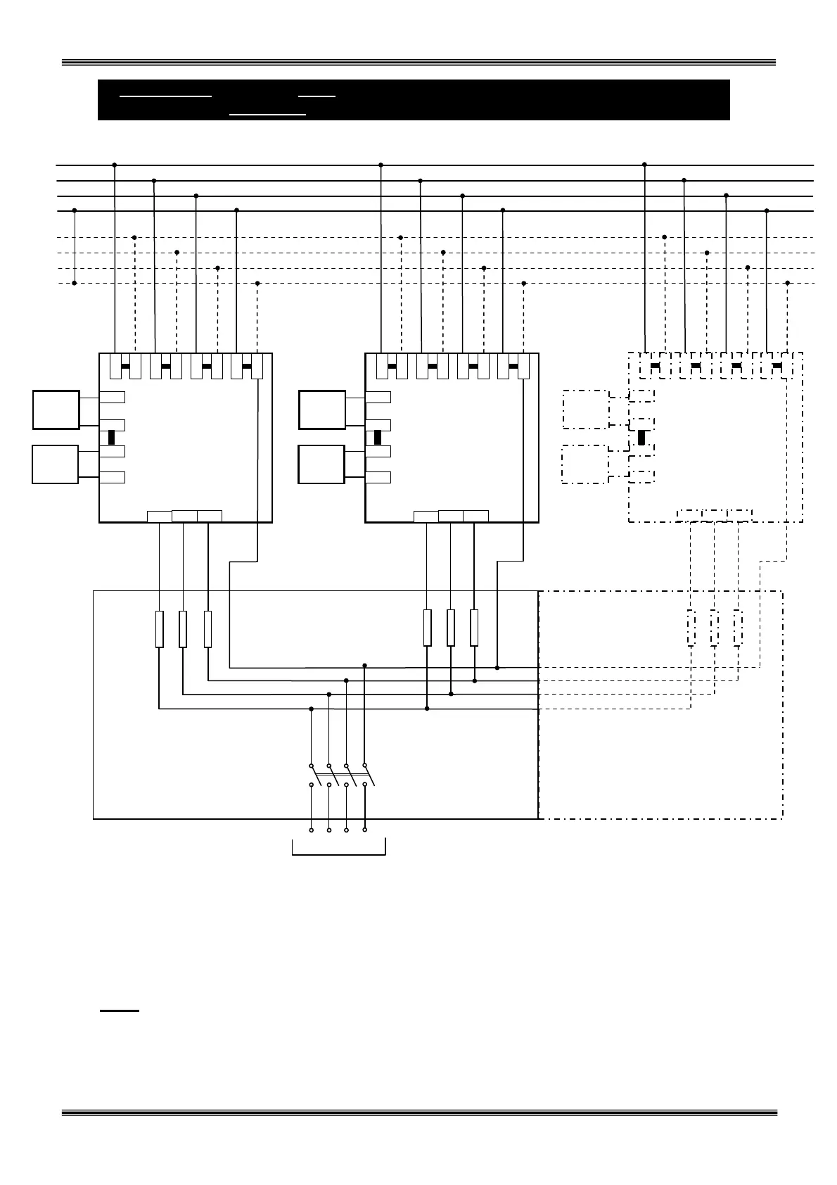
CAUTION !!! You must never set the operation modes of parallel connected UPS units to
“ONLINE”, otherwise serious damage may occur in UPSs.
Note: As seen in the figure, the outputs of parallel UPS units should be connected to each other
using an AC distribution board.
Figure 4.3
DS300H Series Parallel UPS Power Connections
BATTERIES
U
V
W
N
LOAD
FUSES
AC
BYPASS AC INPUT
MAIN AC INPUT
AC DISTRIBUTION
U
1
V
1
W1
N1
U
2
V
2
W2
N2
+
-
+
-
UPS1
K3
K2
K2
K4
K5
K6
K7
K8
K9
K10
K11
K12
K13
K14
K1
U
V
W
N
AC OUTPUT1
+
-
+
-
BATTERIES
UPS2
K3
K2
K2
K4
K5
K6
K7
K8
K9
K10
K11
K12
K13
K14
K1
U
V
W
N
AC OUTPUT2
FUSES
+
-
+
-
BATTERIES
UPS3
K3
K2
K2
K4
K5
K6
K7
K8
K9
K10
K11
K12
K13
K14
K1
U
V
W
N
AC OUTPUT3
FUSES
LOAD BRAKE
SWITCH

Table of Contents

Related product manuals