EasyManua.ls Logo

TEV Marstair CX 30 - WIRING DIAGRAM

TEV Marstair CX 30
19 pages
Print Icon
To Next Page IconTo Next Page
To Next Page IconTo Next Page
To Previous Page IconTo Previous Page
To Previous Page IconTo Previous Page
Loading...
14/19
55908014-17
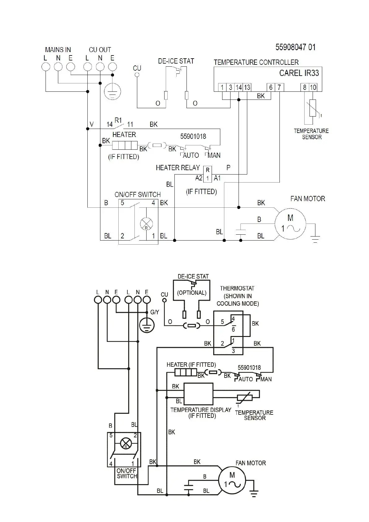
WIRING DIAGRAM
CXE
CX