EasyManua.ls Logo

Texas Instruments LM2734 - Block Diagram

Texas Instruments LM2734
32 pages
Print Icon
To Next Page IconTo Next Page
To Next Page IconTo Next Page
To Previous Page IconTo Previous Page
To Previous Page IconTo Previous Page
Loading...
L
R
1
R
2
D
1
D2
BOOST
Output
Control
Logic
Current
Limit
Thermal
Shutdown
Under
Voltage
Lockout
Corrective Ramp
Reset
Pulse
PWM
Comparator
Current-Sense Amplifier
R
SENSE
+
+
Internal
Regulator
and
Enable
Circuit
Oscillator
Driver
0.3:
Switch
Internal
Compensation
SW
EN
FB
GND
Error Amplifier
-
+
V
REF
0.8V
C
OUT
ON
OFF
V
BOOST
I
L
V
SW
+
-
C
BOOST
V
OUT
C
IN
V
IN
V
IN
I
SENSE
+
-
+
-
+
-
0.88V
-
+
OVP
Comparator
Error
Signal
LM2734
SNVS288I SEPTEMBER 2004REVISED APRIIL 2013
www.ti.com
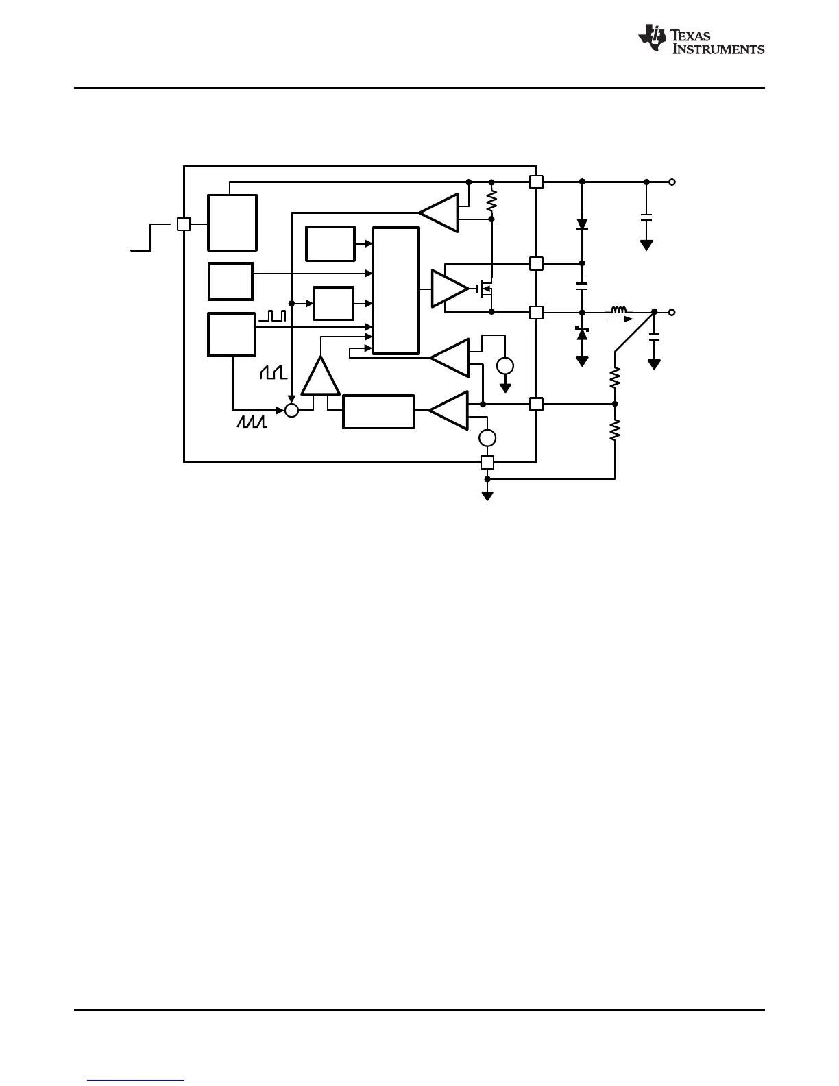
Block Diagram
Figure 22.
8 Submit Documentation Feedback Copyright © 2004–2013, Texas Instruments Incorporated
Product Folder Links: LM2734

Related product manuals