EasyManua.ls Logo

Thermann TH26ENG5N - Heat Exchanger Maintenance Procedures; Flushing the Heat Exchanger for Optimal Performance

Thermann TH26ENG5N
24 pages
Print Icon
To Next Page IconTo Next Page
To Next Page IconTo Next Page
To Previous Page IconTo Previous Page
To Previous Page IconTo Previous Page
Loading...
Thermann Owner’s Guide
Gas Continuous Flow Water Heaters
20
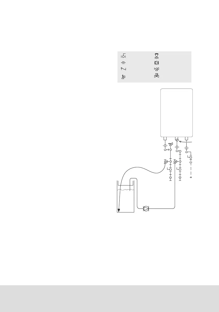
Maintenance
Water Heater
H3
V1 V2
V3
V4
H2
Circulating Pump
In-line
Filter
H1
Gas
Supply
Cold Water
Line
Hot Water
Line
3/4” Ball Valve
Pressure Regulator
3/4” Union
Circulating Pump
Check Valve
Boiler Drain Valve
Solenoid Valve
Pressure
Relief Valve
When water hardness is high, following
maintenance (flushing the heat exchanger) is
recommended.
1. Disconnect the electrical power to the Water
Heater and close the gas supply valve.
2. Close the shutoff valves on both the hot water
and cold water lines (V3 and V4).
3. Connect pump outlet hose (H1) to the cold
water line at service valve (V2).
4. Connect drain hose (H3) to service valve (V1).
5. Pour chemical product used to flush heat
exchanger into water (acid 8-10% of water
content like vinegar).
6. Place the drain hose (H3) and the hose (H2) to
the pump inlet into the cleaning solution.
7. Open both service valves (V1 and V2) on the
hot water and cold water lines.
8. Operate the pump and allow chemical product
like vinegar to circulate through the water
heater for at least 1 hour at a rate of 15 L/min.
9. Turn off the pump.
10. Rinse the chemical/water from the Water
Heater as follows:
a. Remove the free end of the drain hose (H3)
from the pail. Place in sink or outside to
drain.
b. Close service valve (V2), and open shutoff
valve (V4). Do not open shutoff valve (V3).
c. Allow water to flow through the Water
Heater for 5 minutes.
d. Close shutoff valve (V4). When unit has
finished draining remove the inline filter
at the cold water inlet and clean out any
residue. Place filter back into unit and open
valve (V4).
e. Close service valve (V1), and open shutoff
valve (V3).
11. Disconnect all hose.
12. Reconnect the electrical power to the Water
Heater and open the gas supply valve.

Related product manuals