EasyManua.ls Logo

Thomas 1300 ProTough - Hydraulic Schematic

Thomas 1300 ProTough
132 pages
Print Icon
To Next Page IconTo Next Page
To Next Page IconTo Next Page
To Previous Page IconTo Previous Page
To Previous Page IconTo Previous Page
Loading...
1
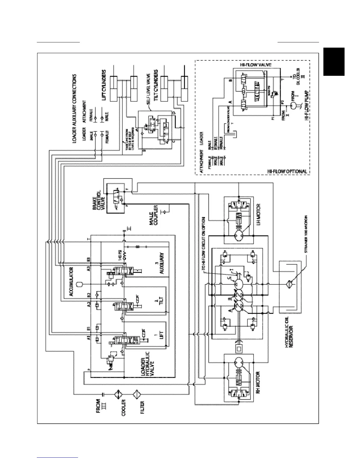
HYDRAULIC SCHEMATIC 1.1
1-3
C4475

Table of Contents

Related product manuals