EasyManua.ls Logo

THOMSON silence - Dishwasher Operation

THOMSON silence
Print Icon
To Next Page IconTo Next Page
To Next Page IconTo Next Page
To Previous Page IconTo Previous Page
To Previous Page IconTo Previous Page
Loading...
9
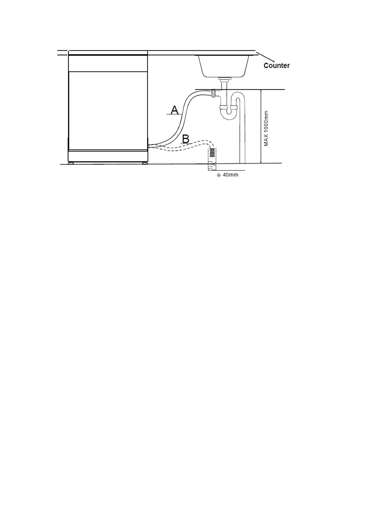
If leaks are detected, immediately shut the water supply and check the hose connections
fully. Re-tighten the connections if necessary.
If for any reason you are unable to stop the leak yourself please seek advice from a
qualified plumber.
Levelling
Place the dishwasher on an even, stable surface.
It is very important that the dishwasher is perfectly levelled in order to avoid it to
malfunction. You can level the dishwasher by adjusting the feet at the base of the
appliance.
OPERATION
Your dishwasher cleans by spraying a mixture of clean water and detergent (under
pressure) against the soiled surface of dishes. The water is pumped through a rotating
spray arm, drained through a filter removing food and soiled particles and pumped back
through the spray arm.
Soiled water is pumped out and replaced with clean water at the end of each cycle (how
many times depends on the cycle being used).
NOTE:
Hard water conditions will adversely affect washability performance of your dishwasher.
Hard water conditions will also contribute to “Lime” (white film substance) deposits and/or
“Scaling” on the stainless steel surface of the dishwasher tub and heater element located
in the sump underneath the removable filter screen.
To minimise these conditions, it is recommended to periodically operate/rinse the inside of
the dishwasher (empty) using 1 cup of white vinegar (at least once a week).
Downloaded from www.vandenborre.be

Related product manuals