EasyManua.ls Logo

THOMSON VTCD 200 - Page 9

THOMSON VTCD 200
12 pages
Print Icon
To Next Page IconTo Next Page
To Next Page IconTo Next Page
To Previous Page IconTo Previous Page
To Previous Page IconTo Previous Page
Loading...
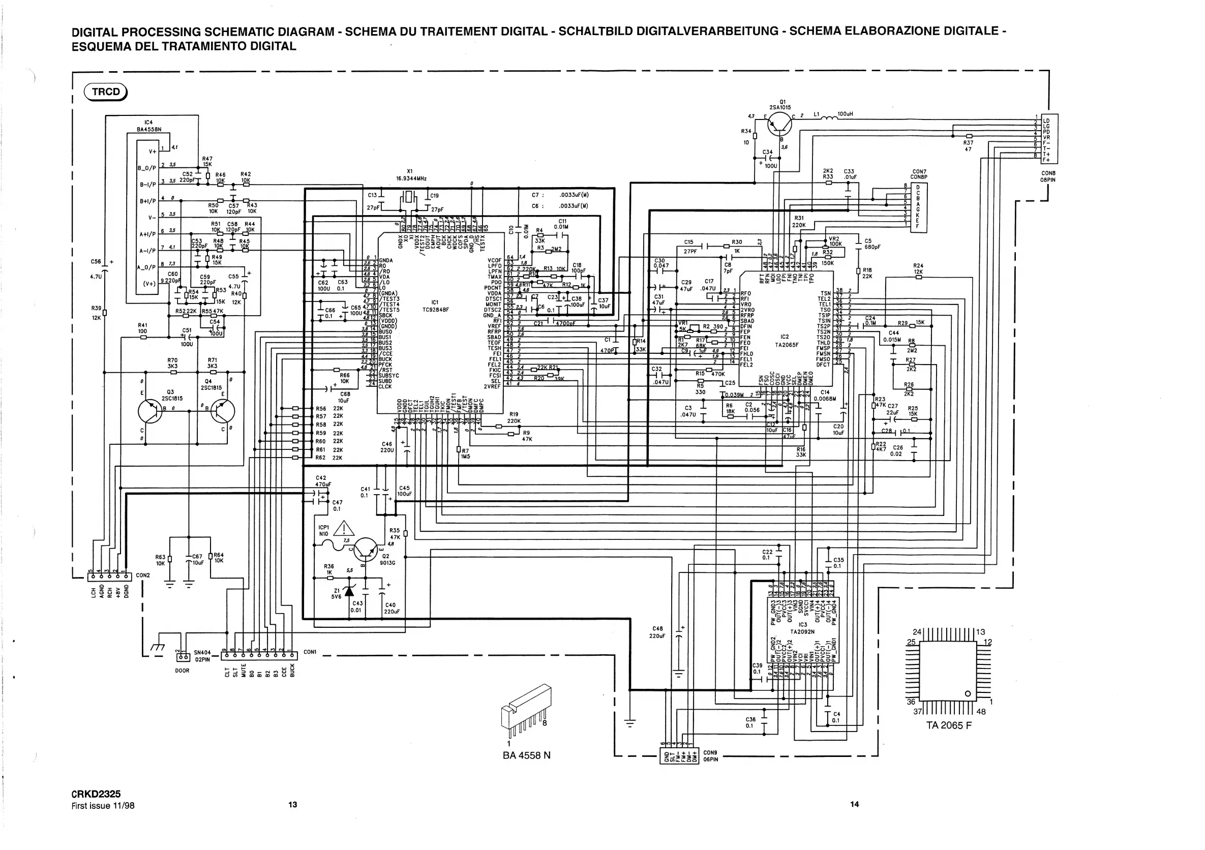
DIGITAL
PROCESSING
SCHEMATIC
DIAGRAM
-
eae
DU
TRAITEMENT
DIGITAL
-
SCHALTBILD
DIGITALVERARBEITUNG
-
SCHEMA
ELABORAZIONE
DIGITALE
-
ESQUEMA
DEL
TRATAMIENTO
DIGITAL
43
2
U1
100uH
IC4
<?
BA4558N
R47
235
15K
:
2K2
C33
_CON7
C52
R42
3
35
220F7
Y
Tok
10k
|
16.9344MHz
R33
.OtuF
CONSP
tA
=
=a
.
in
Se
ec
7
C6
:
.0033uF
(M)
=
=z
R50.
C57_—«R43
10K
120pF
10K
NAA
OY
BOO
R51
C58
R44
10K.
120pF
10K
[|
||
aa
|
|
10K
10K
aa
C56
|
+
;
3
J
4.7U
C62
C63
ict
C23]
+1
c38
MONIT
100uF
rsa
TC9284BF
uF
|
uF
=
12K
a
ie
gece
ald
Pa
‘ut
R29
15K
_|
TT
|
[i
TA2065F
:
470
Bn
be
—_*
2)
":
|
:
C3
he
vane.
|
R25
;
Pp
.047U
1k
tide
oour
Ree
|
2
ee
Ee)
nae
eet
.
ie
ee
Ser
oe
aa
ae
iw
——1_____
pie
ia
——
a
ie
ete,
eee
aS
ie
ea
fae
————————s
CLT
MUTE
BO
B1
B2
B3
CCE
BUCK
i
5
i
C48
220uF
DOOR
&
eS
sagan
BA
4558
N
Me
rr
saaaag|
3
———
——__
CRKD2325
First
issue
11/98
13
14

Related product manuals