EasyManua.ls Logo

Thrustmaster HOTAS WARTHOG - Page 28

Thrustmaster HOTAS WARTHOG
146 pages
Print Icon
To Next Page IconTo Next Page
To Next Page IconTo Next Page
To Previous Page IconTo Previous Page
To Previous Page IconTo Previous Page
Loading...
9/18
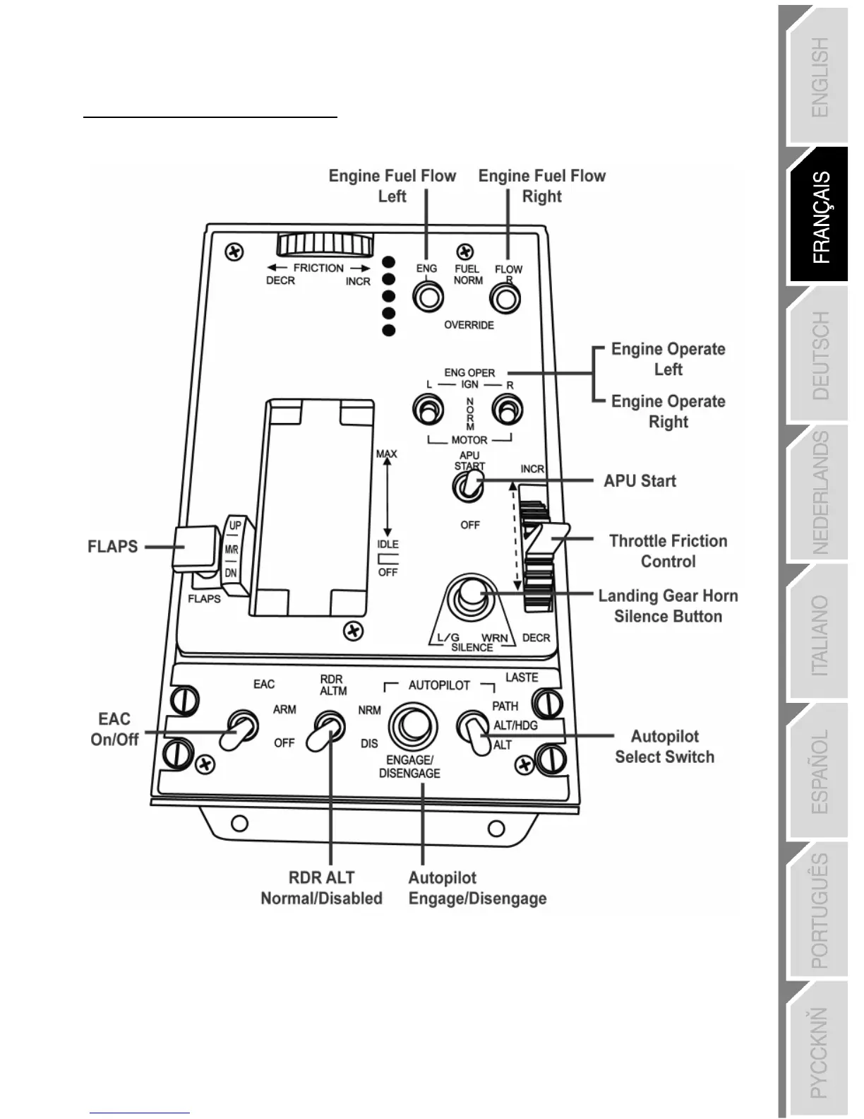
Sur le PANNEAU DE CONTRÔLE :

Other manuals for Thrustmaster HOTAS WARTHOG

Related product manuals