EasyManua.ls Logo

Tiger JD 5083E - Husco Controls Switchbox

Tiger JD 5083E
182 pages
Print Icon
To Next Page IconTo Next Page
To Next Page IconTo Next Page
To Previous Page IconTo Previous Page
To Previous Page IconTo Previous Page
Loading...
Cheetah Common Section 6-40
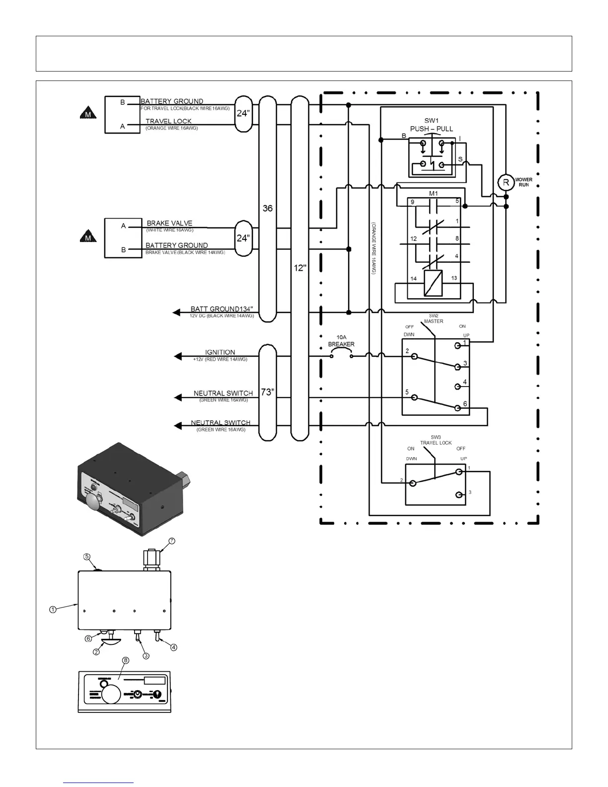
ITEM P/N QTY. DESCRIPTION
1 06514012 1 SWBX,ALUM,BLK,06510100
2 35226 1 SWITCH,MOWER,COLEHERSEE
3 33811 1 SWITCH,MASTER/DECK FLOAT
4 34532 1 SWITCH,TRVL LCK
5 06514014 1 BREAKER,10A,SWBX
6 6T3923 1 INDICTATOR LIGHT,ON,RED
7 34540 1 STRAIN RELIEF,3/4,BLACK,NYLON
8 06550019 1 DECAL,SWTCHBX,BOOM,CG
9 35227 1 RELAY,DP,DT,12V,LY2F,35226
HUSCO CONTROLS SWITCHBOX

Related product manuals