EasyManua.ls Logo

Tiger JD 5083E - Tractor Mnt. Kit - Mnfrm Loader

Tiger JD 5083E
182 pages
Print Icon
To Next Page IconTo Next Page
To Next Page IconTo Next Page
To Previous Page IconTo Previous Page
To Previous Page IconTo Previous Page
Loading...
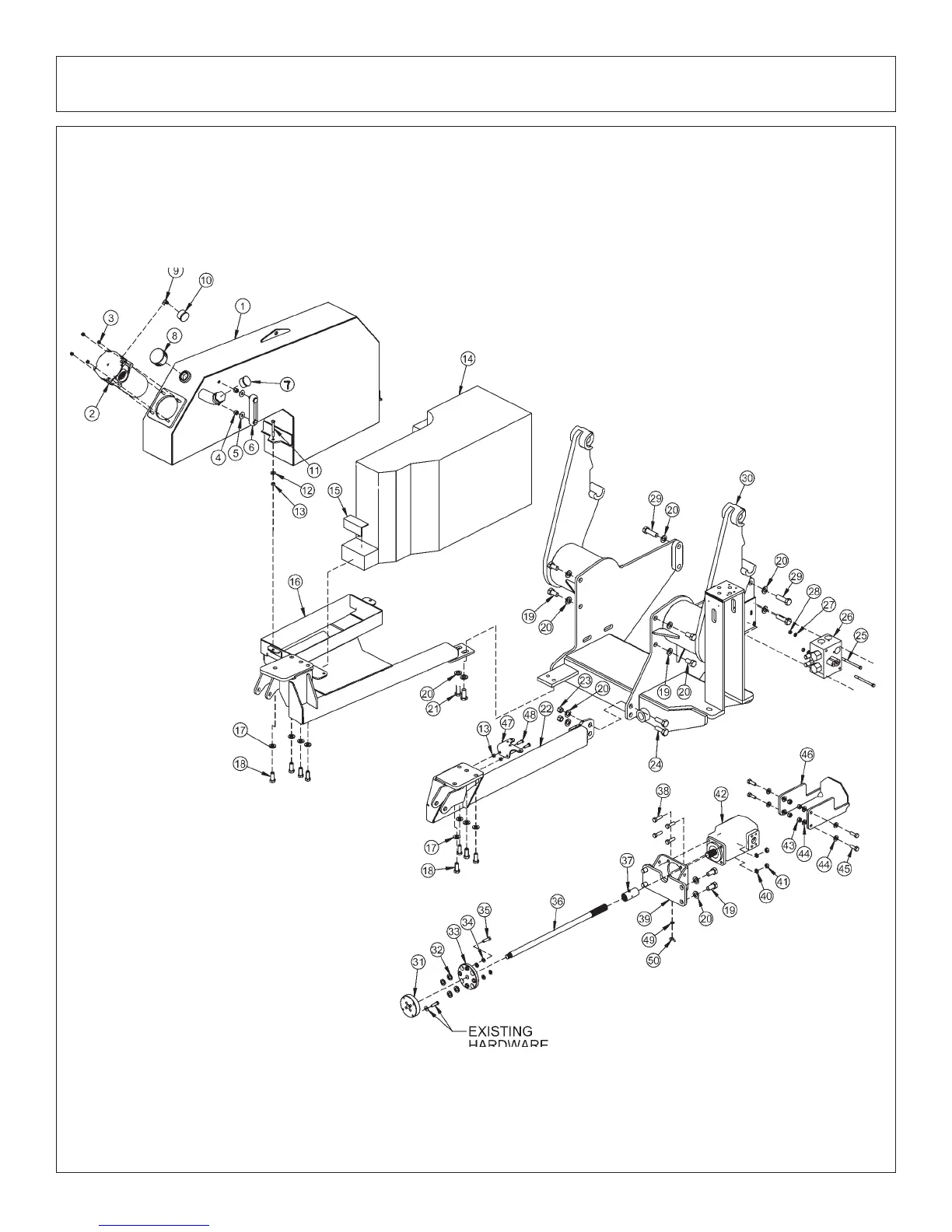
Parts Section 5-8
TRACTOR MOUNT KIT - MAIN FRAME 5101E - LOADER

Related product manuals