EasyManua.ls Logo

Tiger JD 5083E - Page 58

Tiger JD 5083E
182 pages
Print Icon
To Next Page IconTo Next Page
To Next Page IconTo Next Page
To Previous Page IconTo Previous Page
To Previous Page IconTo Previous Page
Loading...
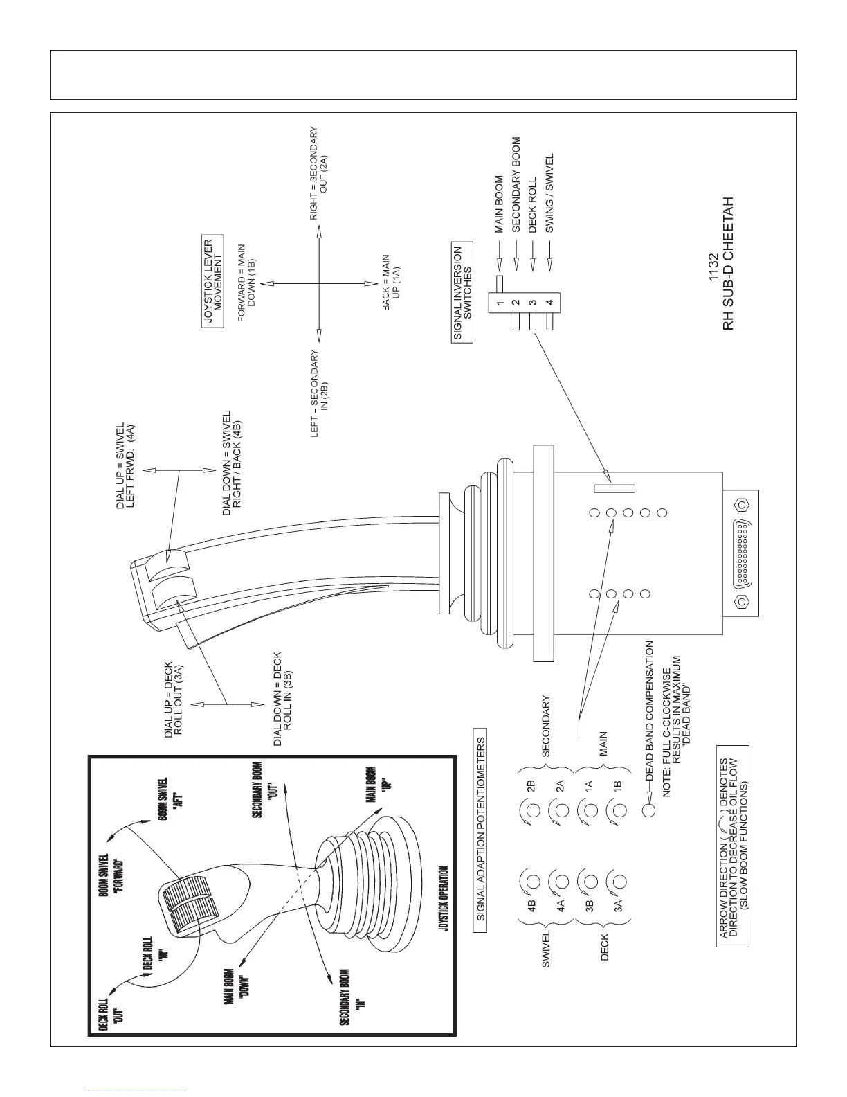
Assembly Section 2-24
ASSEMBLY

Related product manuals