EasyManua.ls Logo

Tiger JD 5520 - Page 215

Tiger JD 5520
222 pages
Print Icon
To Next Page IconTo Next Page
To Next Page IconTo Next Page
To Previous Page IconTo Previous Page
To Previous Page IconTo Previous Page
Loading...
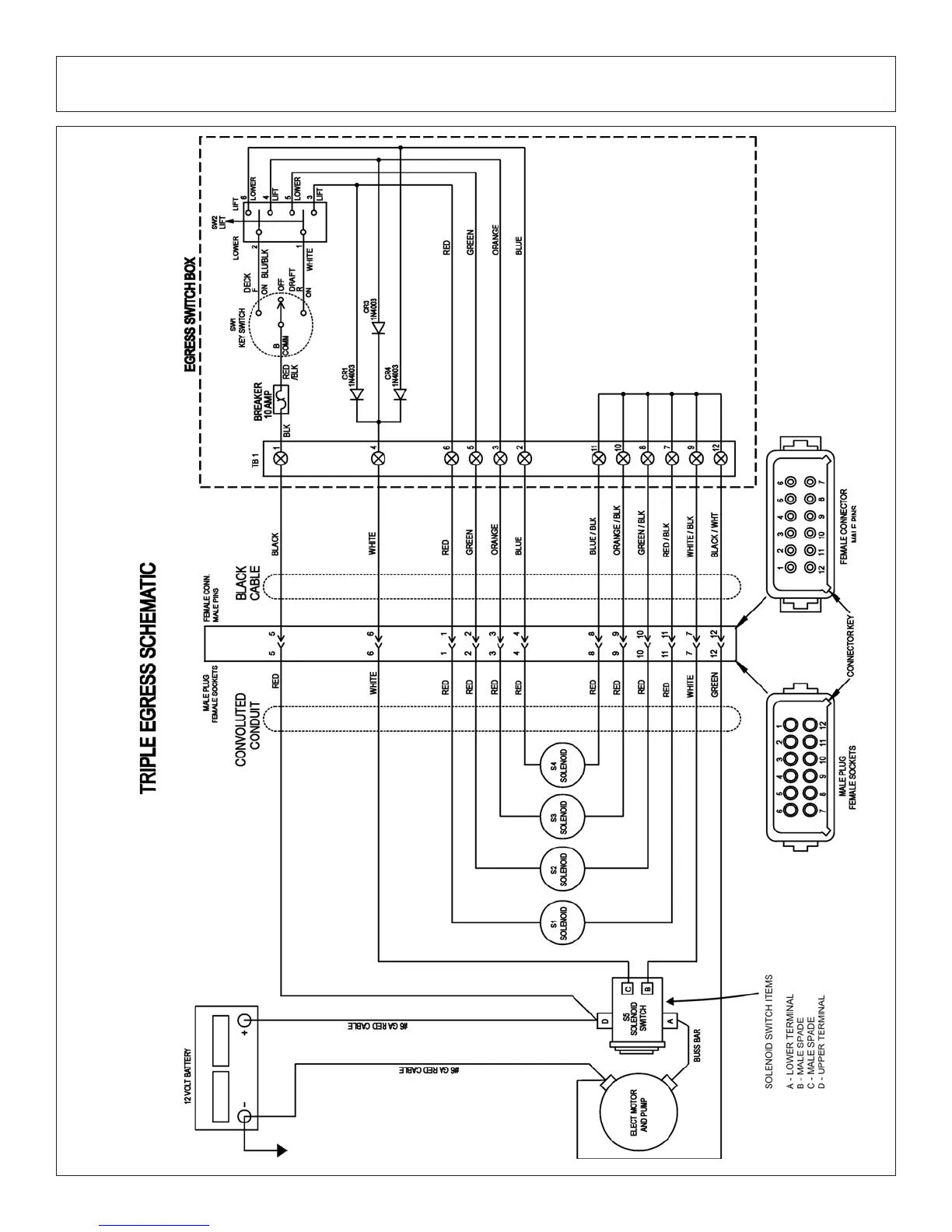
Assembly Section 5-11
TRIPLE EGRESS SCHEMATIC

Related product manuals