EasyManua.ls Logo

Toa BA-260 - Volume Setting; Volume Control Cover; Block Diagram

Toa BA-260
12 pages
Print Icon
To Next Page IconTo Next Page
To Next Page IconTo Next Page
To Previous Page IconTo Previous Page
To Previous Page IconTo Previous Page
Loading...
11
Volume control knob
YA-920 Volume control cover (accessory)
1
2
3
12. VOLUME SETTING
Output levels are adjustable with the Master volume control. For music play or announcement, adjust the
volume control so that the signal indicator lights intermittently. Note that the sound quality is downgraded
when the peak indicator remains lit.
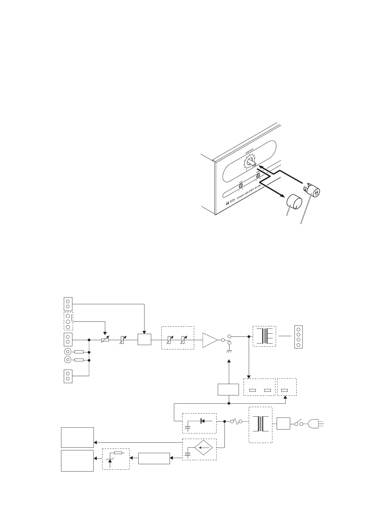
13. VOLUME CONTROL COVER
To prevent the accidental change of the Master volume
control setting on the front panel, it is recommended to
replace its control knob with the supplied YA-920 Volume
Control Cover. Follow the procedure below for its
replacement.
Step 1. Remove the control knob.
Step 2. Adjust the Master volume control (without knob)
to an appropriate level.
Step 3. Attach the YA-920 onto the control.
14. BLOCK DIAGRAM
POWER AMP
SPEAKER OUT
AC120 V 60 Hz
POWER
SUPPLY
FOR
POWER AMP
70 V LINE
LINE IN
10 kΩ
H
E
MASTER
25 V LINE
4 Ω
COM
OT
TONE CONTROL
BASS TREBLE
PT
POWER
SUPPLY
FOR
PRE AMP
RELAY
BREAKER
SIGNAL
PEAK
POWER
BRIDGE OUT
10 kΩ
H
E
POWER
SWITCH
FUSE
VCA
REMOTE
VOLUME
+
INPUT
LEVEL
+4 dB
0 dB
THERMOSTAT
(ON HEATSINK)
MUTE
CONTROL

Other manuals for Toa BA-260

Related product manuals