EasyManua.ls Logo

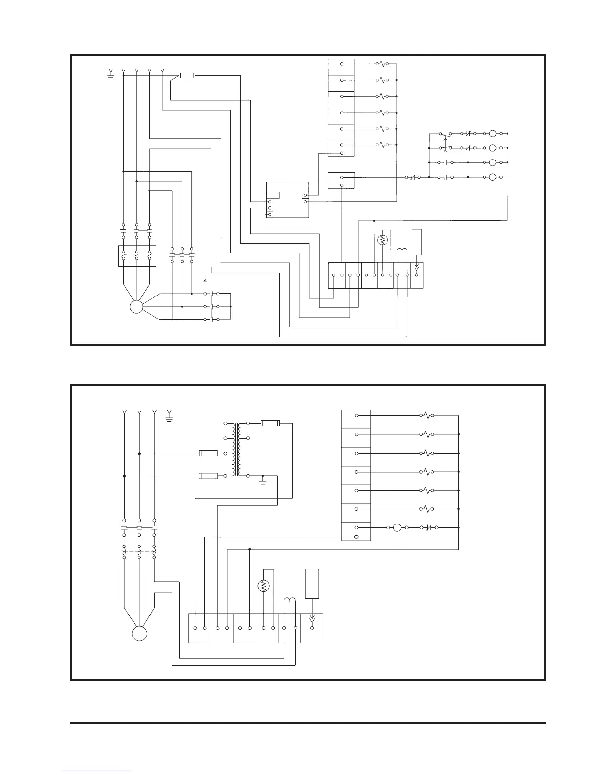
Torit Downflo SDF-6 - Figure 22 - Wiring Diagram 380 V 50 Hz 3 PH 7-1;2 Hp; Figure 23 - Wiring Diagram 230 V 60 Hz 3 PH 3, 5, 7-1;2, 10 Hp

Default Icon
54 pages
Print Icon
To Next Page IconTo Next Page
To Next Page IconTo Next Page
To Previous Page IconTo Previous Page
To Previous Page IconTo Previous Page
Loading...
Donaldson Company, Inc. © 1995
25
NOTE: From CUR 3 wrap wire lead 1 turn
through sensor core CUR 1 before
returning to CUR 3.
From 380VAC 50Hz, 3 Phase
Disconnect means and circuit
protection by others
NOTE: From CUR 3 wrap wire lead 1 turn
through sensor core CUR 1 before
returning to CUR 3.
Figure 23
Wiring Diagram 230 Volt - 60 Hz, 3PH – 3, 5, 7-1/2 , 10 hp
Figure 22
Wiring Diagram 380 Volt - 50 Hz, 3PH – 7-1/2 hp
From 230VAC 60Hz, 3 Phase
Disconnect means and circuit protection by others
MOTOR STARTER
L2
L3L1
N
G
FU1
1.5A
M1
5.5
KW
BLOWER
7-1/2 hp
OL1
(V1)
(W1)(U1)
T1
T3T2
L1
L2
L3
M3
T3 L3
T2
T1
L2
L1
T5
T4
T6
(V2)
(W2)
(U2)
19
IN
TB1
IL1
HOT
OUT
TB1A
IN
NEUT
OUT
N
TB2
ON/OFF
TB4
TEMP 1
4
TE1
2
CUR 3
5
CUR 1
INTERFACE
BOARD
L3
IL3
CONTROL
BOARD
RELAY
1
TB6
PSI
L1
N1
24VDC Power
Supply
+DC
LINE -24VDC
FU2
NEUTRAL
GND
-DC
CLEANING
VALVE NO.6
CLEANING
VALVE NO.4
CLEANING
VALVE NO.3
CLEANING
VALVE NO.5
SV6
TB12
13
12
11
10
9
RELAY 7
SV5
SV4
SV3
SV2
SV1
CLEANING
VALVE NO.2
CLEANING
VALVE
NO. 1
TB8
TB9
TB11
TB10
TB7
RELAY
5
RELAY 4
RELAY 3
RELAY 6
RELAY
2
N1
N1
M5
M3
M1
TR1
6
95
96
OL1
M1
M3
A1
A1
A1
8
A1
A2
A2
TR1
A2
A2
7
8
9
15
15 21
13
14
5453
18 21 22
16 22
CLEAN AIR
TEMPERATURE
DELTA
CONTACTOR
MAIN
CONTACTOR
WYE
CONTACTOR
TIME DELAY
ON
ENERGIZE
3A
+24VDC
L3
L2
L1
T3T1 T2
M5
T1
T3T2
Y- STARTER
IT3
T1
T2
OL1
T3
L3
L2
BLOWER
3,5,7-1/2,10 hp
L1
G
L1
L2
M1
L3
H3
H4
X1
X2
3A
FU1
250VA
T1
H1
H2
115VAC
X3
N
CONTROL BOARD
TB1
HOT
IN
OUT
1
TB1A
IN
2N
N1
OUT
NEUT
TB2
ON/OFF
CLEAN AIR TEMPERA-
TURE
TB4
TEMP 1
5
TE1
4
CUR 1
CUR 3
T3
IT3
INTERFACE
BOARD
2
13
TB12
12
11
RELAY 3
TB9
TB10
TB8
10
9
8
TB7
TB11
RELAY
1
TB6
CLEANING
VALVE NO. 6
CLEANING
VALVE NO. 5
CLEANING
VALVE NO. 4
CLEANING
VALVE NO. 3
CLEANING
VALVE NO. 2
CLEANING
VALVE NO. 1
OL1
M1
7
96
95
A2A1
RELAY
5
RELAY 6
RELAY 7
6
SV6
SV5
SV4
SV3
SV2
SV1
RELAY
2
RELAY 4
3A
FU2
3-2/10A
FU3

Table of Contents

Related product manuals