EasyManua.ls Logo

Tornado Marathon 2000 98190 - Wiring Diagrams

Tornado Marathon 2000 98190
29 pages
Print Icon
To Next Page IconTo Next Page
To Next Page IconTo Next Page
To Previous Page IconTo Previous Page
To Previous Page IconTo Previous Page
Loading...
28
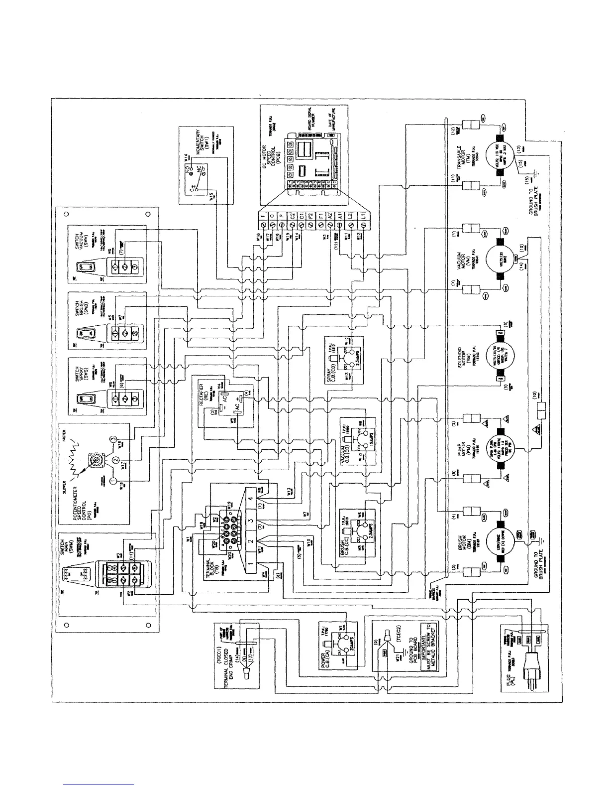
WIRING DIAGRAM
(REF. # 30702)