EasyManua.ls Logo

Toro 150-D - Page 122

Toro 150-D
188 pages
Print Icon
To Next Page IconTo Next Page
To Next Page IconTo Next Page
To Previous Page IconTo Previous Page
To Previous Page IconTo Previous Page
Loading...
Z5000, Z4200 2007
 'HP\VWL¿FDWLRQ*XLGH
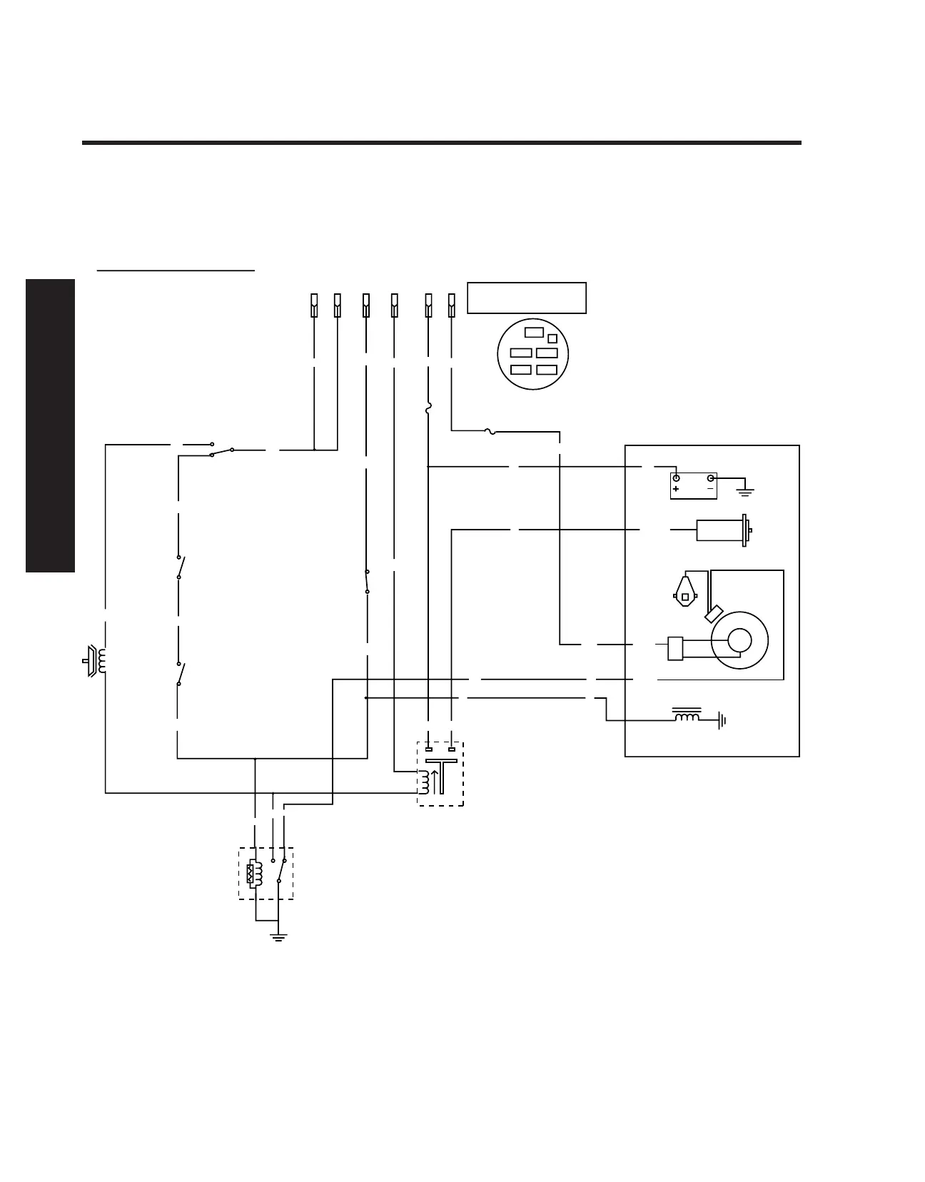
Wiring Diagram
:LULQJ'LDJUDP
PK
PK
GY
R
R
R
RR
BU
BU
OR
OR
VIO
VIO
VIO
W
WW
W
Y
Y
Y
YY
BN
BN
GN
GND
B+
MATRIX Z SCHEMATIC
KOHLER ENGINE
GND BLACK PK PINK
BN BROWN R RED
BU BLUE T TAN
GN GREEN VIO VIOLET
GY GREY W WHITE
OR ORANGE Y YELLOW
WIRE COLOR CODES
TERMINAL VIEW FROM
BACK OF SWITCH
SPARK PLUG
IGNITION
MODULE
STARTER
AC
AC
FUEL SOLENOID
REG
START
MAG
STARTER
SOLENOID
SOLENOID
1
2
3
4
5
K1
(KILL RELAY)
PTO
CLUTCH
SW5
LH BRAKE
SW3
RH BRAKE
SW4
(SEAT)
SW2
(PTO)
SHOWN WITH
PARK BRAKE
DISENGAGED
SHOWN WITH
PARK BRAKE
DISENGAGED
SHOWN WITH
OPERATOR
IN SEAT
30A
F1
25A
F2
SHOWN IN
OFF POSITION
X
I
Y
S
B
A
OFF NO CONNECTION
ON BIA AND XY
START BIS
KEY SWITCH PN 88-9830
KEY SW
SW1
(IGNITION)
2
J5
15 43
Y
I
XS B
A

Table of Contents

Related product manuals