EasyManua.ls Logo

Toro 150-D - Page 180

Toro 150-D
188 pages
Print Icon
To Next Page IconTo Next Page
To Next Page IconTo Next Page
To Previous Page IconTo Previous Page
To Previous Page IconTo Previous Page
Loading...
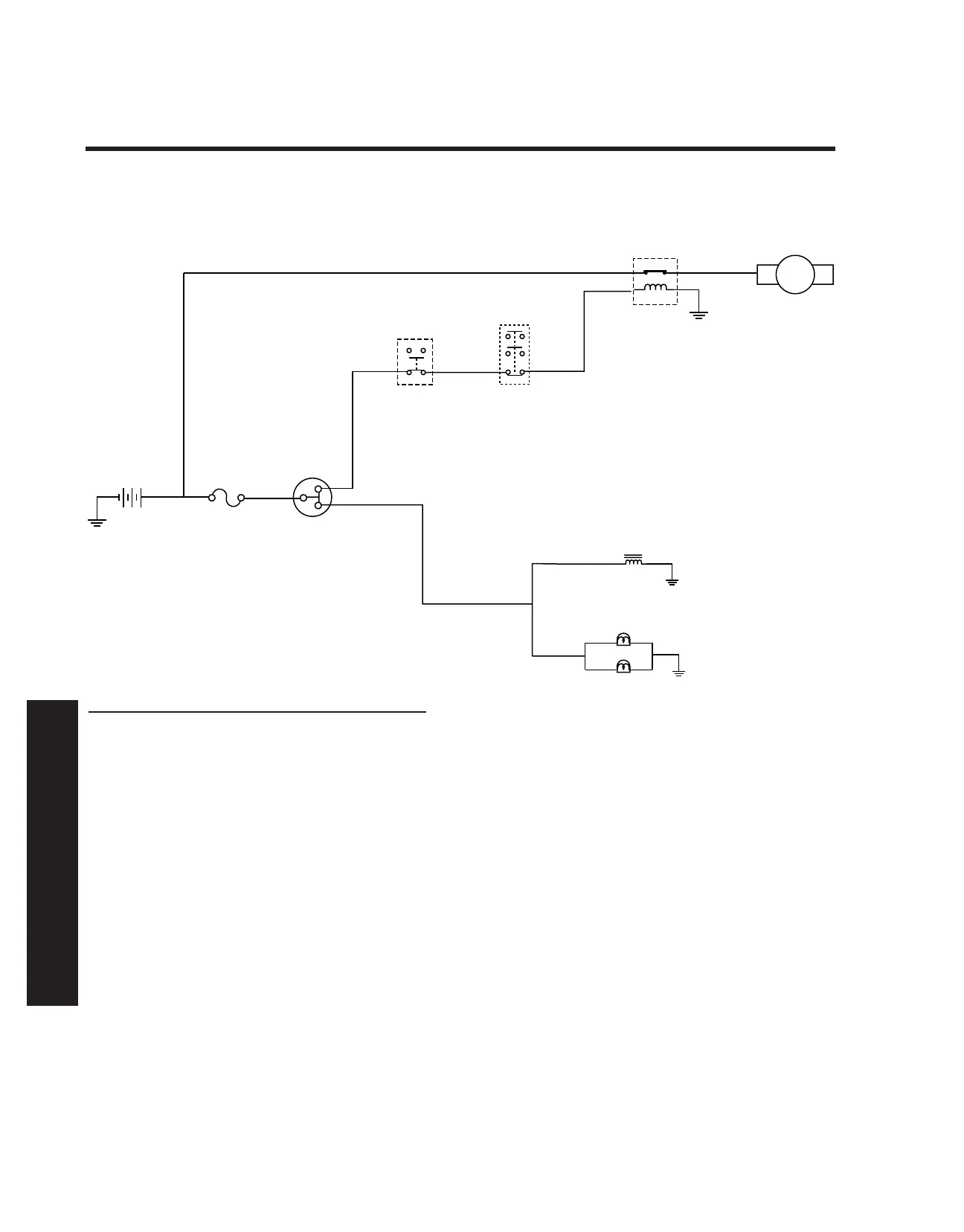
 'HP\VWL¿FDWLRQ*XLGH
Circuits
LX500, GT2100 2006
GT2200, GT2300 2007
6WDUWHU0RWRU&LUFXLW
(ignition switch in “start”)
Fuel Solenoid
(Energized)
Headlight Harness
(Headlights on)
Battery
Fuse
(20 Amp)
A1
B
S
Ignition Switch
(In Start)
Starter Motor
(Energized)
Starter Solenoid
(Energized)
Brake Switch
(Brake Applied)
PTO Switch
(PTO Off)
RR
R
R
R
R RR
R/W
OR OR/BK OR/W
OR/W
BU
GN
BN
BU
GY
W
PUR
R
PK
BK
Y
Y/BK
Y/W YELLOW WHITE
T
GN
OR
BROWN
BLUE
GRAY
WHITE
PURPLE
RED
PINK
BLACK
YELLOW
TAN
GREEN
ORANGE
WIRE COLOR CODES
R/W
YELLOW BLACK
RED WHITE
OR/BK
OR/W
ORANGE BLACK
ORANGE WHITE
R/BK RED BLACK

Table of Contents

Related product manuals