EasyManua.ls Logo

Toro 30447 - Page 70

Toro 30447
76 pages
Print Icon
To Next Page IconTo Next Page
To Next Page IconTo Next Page
To Previous Page IconTo Previous Page
To Previous Page IconTo Previous Page
Loading...
g017784
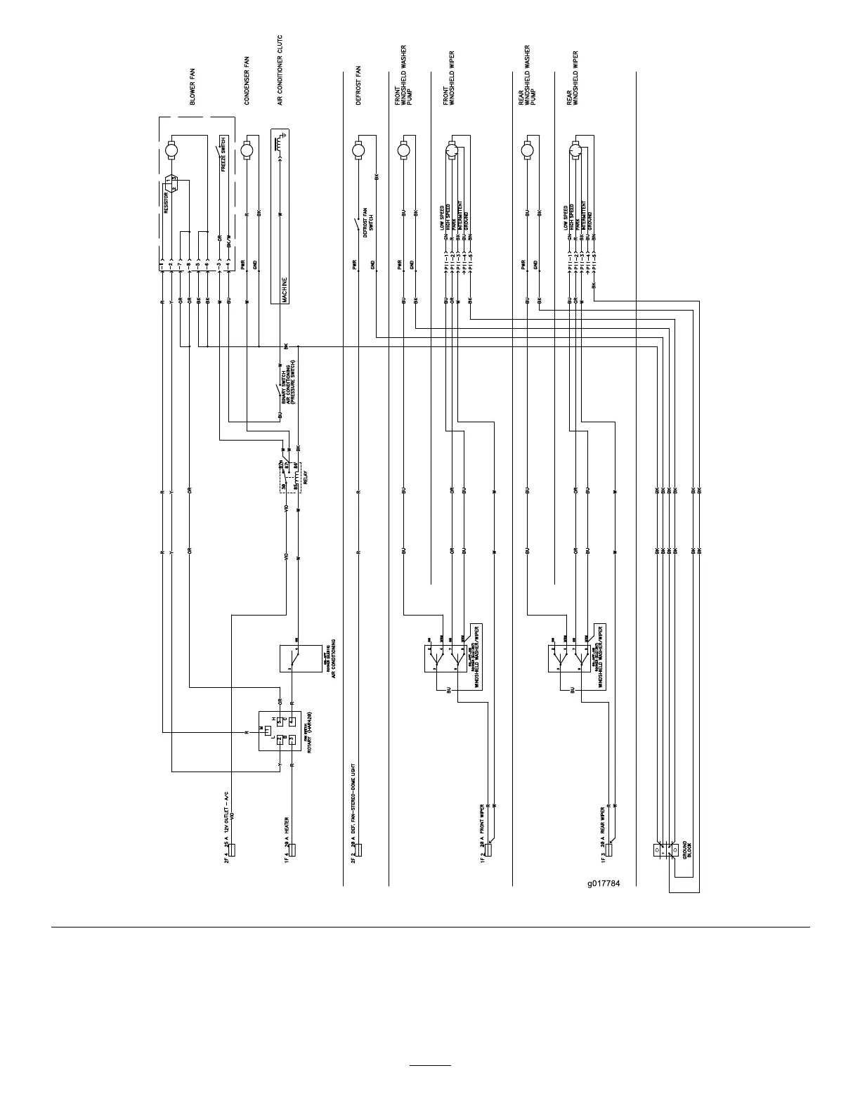
ElectricalSchematic,GM4110Cab(Rev.D)
70

Table of Contents

Other manuals for Toro 30447

Related product manuals