EasyManua.ls Logo

Toro 71197 - Wiring Diagram

Toro 71197
40 pages
Print Icon
To Next Page IconTo Next Page
To Next Page IconTo Next Page
To Previous Page IconTo Previous Page
To Previous Page IconTo Previous Page
Loading...
Maintenance
22
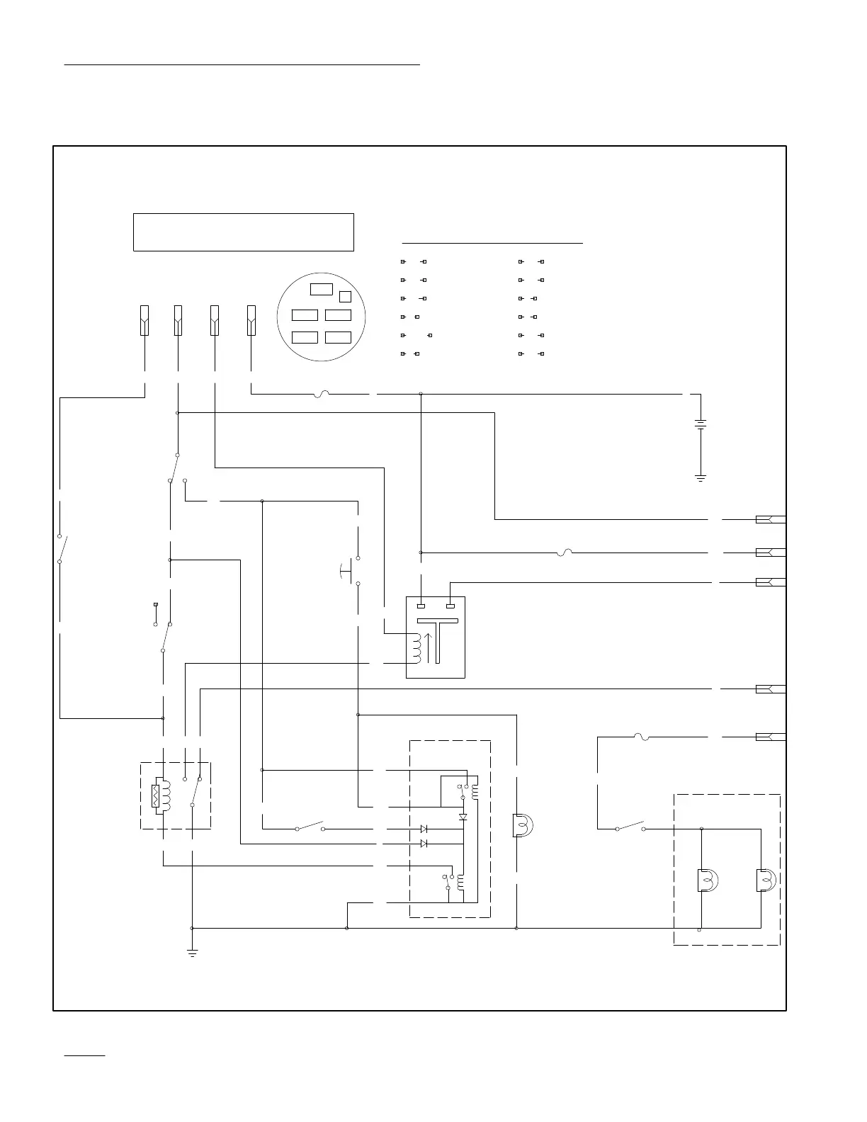
Wiring Diagram
# 

&

&

$!
# 
"! $
&
!
$&
#
!
 $!
 ! !
$
"!
&
 
#
!&
& $!







#


#
&
#

!


"
! $!

&
$$!
! 
!
!
&


 " 

% 
&
& $
%
& $!
!
%&
!!
! "
$
$
&
$!
#!

&$
!




#
$
&
"



!
&


!!&

!!
" 
"
#
$
!
!

!
!!

Related product manuals