EasyManua.ls Logo

Toro 71209 - Wiring Diagram

Toro 71209
40 pages
Print Icon
To Next Page IconTo Next Page
To Next Page IconTo Next Page
To Previous Page IconTo Previous Page
To Previous Page IconTo Previous Page
Loading...
38
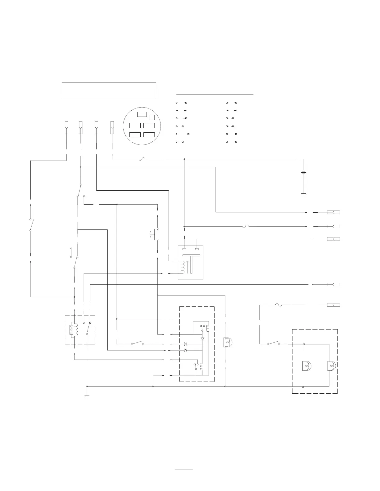
Wiring Diagram
S6
(REVERSE)
2
3
5
4
1
K1
(KILL RELAY)
BKBN
GY
GND
SWITCH OPENS
IN REVERSE
(NEUTRAL SW)
S1
Y
T
WGNY
VIO
SEAT
S5
CLOSED WHEN OPERATOR
IS IN THE SEAT
23
1
SHOWN IN
NEUTRAL
Y
S3
OVER RIDE
MOMENTARY
KEY SWITCH
OR
GN
10A
F3
10A
F1
R
SOLENOID
(OVER RIDE)
LAMP
BK
VIO
GY
VIO
GN
T
BN
BK
NMIR MODULE
5
1
3
4
6
2
S7
(LIGHT SWITCH)
OR
GY
SHOWN WITH
PTO DISENGAGED
32
1
S2
(PTO)
T
GY
10A
F2
PK RBU OR
PK
B
Y
A
KEY SW
X
S
B
I
S4
SA
I
KEY SWITCH
OFF NO CONNECTION
ON B I A AND X Y
START B I S
(IGNITION) BLUE
BROWN
WIRE COLOR CODES
GREY
WHITE
VIOLET
RED
YELLOW
TAN
GREEN
ORANGE
BLACK
PINK
R
VIO
W
GY
BU
BN
OR
GN
T
Y
PK
BK
R R
BATTERY
GND
ALTERNATOR
FUEL SOLENIOD
BU
VIO
W
MAGNETO
LIGHT COIL
OR
HEADLIGHT HARNESS
STARTER
R

Related product manuals