EasyManua.ls Logo

Toro 72045 - Troubleshooting; Starter Does Not Crank; Engine Starting and Running Issues; Engine Loses Power

Toro 72045
40 pages
Print Icon
To Next Page IconTo Next Page
To Next Page IconTo Next Page
To Previous Page IconTo Previous Page
To Previous Page IconTo Previous Page
Loading...
Maintenance
33
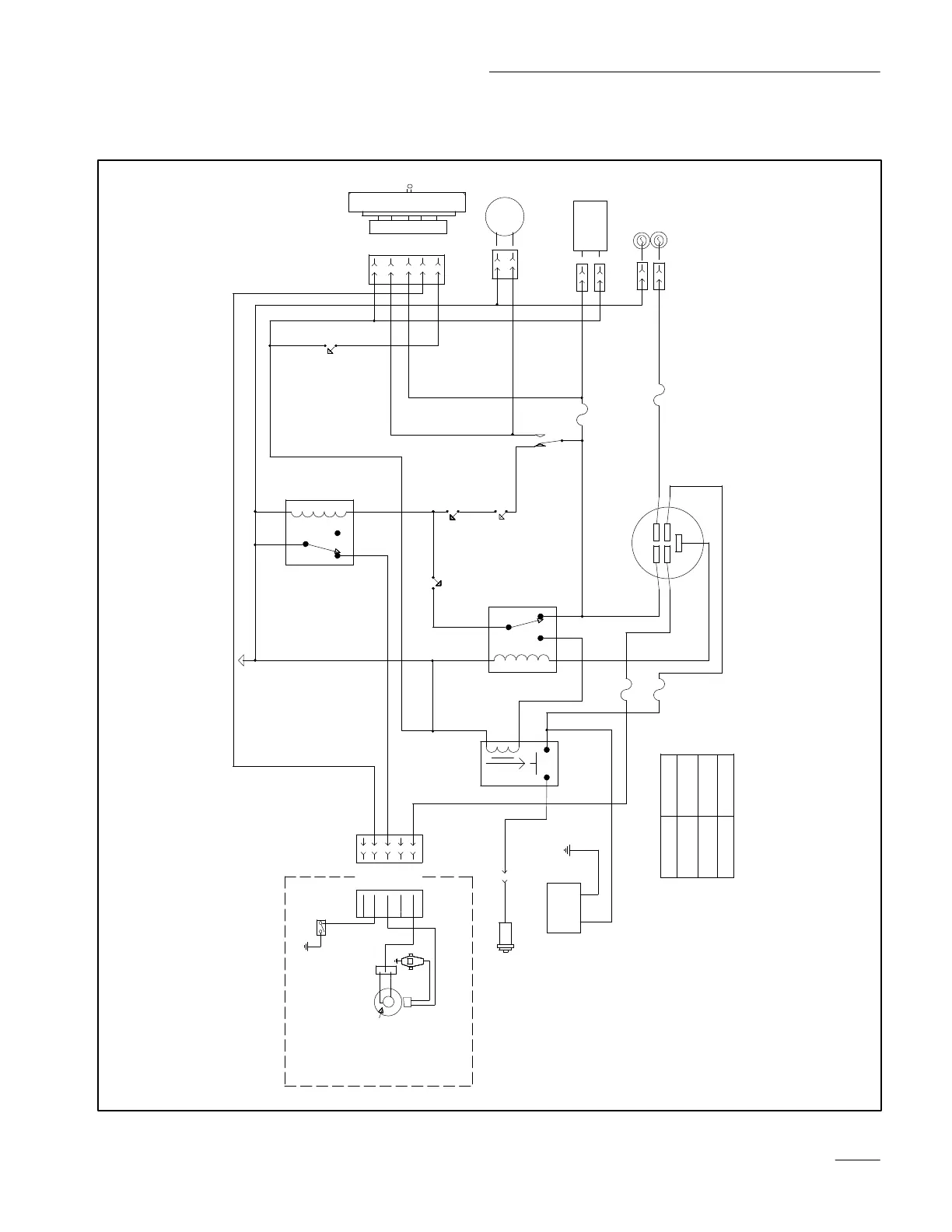
Wiring Diagram





























 





















































































Related product manuals