EasyManua.ls Logo

Toro 73429 - Wiring Diagram

Toro 73429
44 pages
Print Icon
To Next Page IconTo Next Page
To Next Page IconTo Next Page
To Previous Page IconTo Previous Page
To Previous Page IconTo Previous Page
Loading...
Maintenance
36
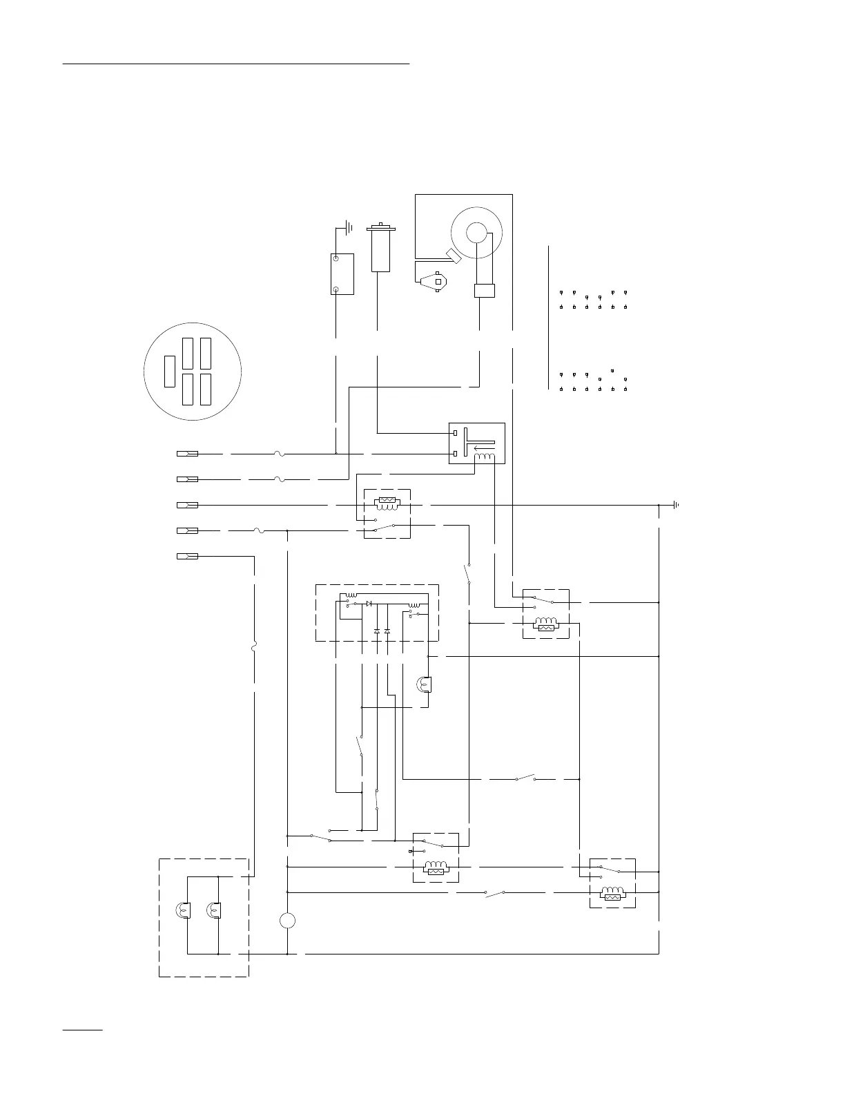
Wiring
Diagram
GN
Y
S3
(PARK SWITCH)
(NEUTRAL RELAY)
2
3
5
4
1
K3
(KILL RELAY)
2
3
5
4
1
K1
W
VIO
GN
GN
OPEN WHEN
PARK BRAKE
IS ENGAGED
VIO
T
BK
Y
BK
T
LP1
(OVER RIDE)
NMIR MODULE
5
1
3
4
6
2
(INTERLOCK
RELAY)
CLOSED WHEN
OPERATOR PRESENT
S1
SEAT
T
BK
PK
NEUTRAL
S4
CLOSED WHEN
TRANSMISSION
IS IN NEUTRAL
2
3
5
4
1
K4
(NEUTRAL
RELAY)
Y
1
2
S7
(REVERSE SWITCH)
(PTO)
S2
SHOWN WITH PTO
DISENGAGED
GY
PK
W
PK
-+
HOUR METER
BK
GY
BK
HEADLIGHT HARNESS
GY GY
F4
10A
312 schematic
VIO
GY
BN
GN
MOMENTARY
KEY SWITCH
SWITCH OPENS
IN REVERSE
S6
(OVER RIDE SWITCH)
W
W
32
1
BU
VIO
PK
PK
R
OR
R
10A
F3
25A
F2
30A
F1
34
I
B
L
R
S
IGNITION SWITCH TERMINAL
LOCATIONS VEIWED FROM BACK.
PK
R
VIO
BRI SL
125
S5
(IGNITION SWITCH)
OFF NO CONNECTION
RUN/LIGHTS B I R L
RUN B I R
START B I S
GND
2
3
5
4
1
K2
BK
BK
BROWN
BLUE
GREY
WHITE
VIOLET
RED
SOLENOID
GY
START
STARTER
+-
SPARK PLUG
B+
AC
AC
REG
IGNITION
MODULE
MAG
VIO
BN
W
(STARTER
SOLENOID)
YELLOW
TAN
GREEN
ORANGE
BLACK
PINK
BN
BU
GY
W
VIO
R
PK
BK
Y
T
GN
OR
WIRE COLOR CODES

Related product manuals