EasyManua.ls Logo

Toro 74057 - Schematics

Toro 74057
74 pages
Print Icon
To Next Page IconTo Next Page
To Next Page IconTo Next Page
To Previous Page IconTo Previous Page
To Previous Page IconTo Previous Page
Loading...
Schematics
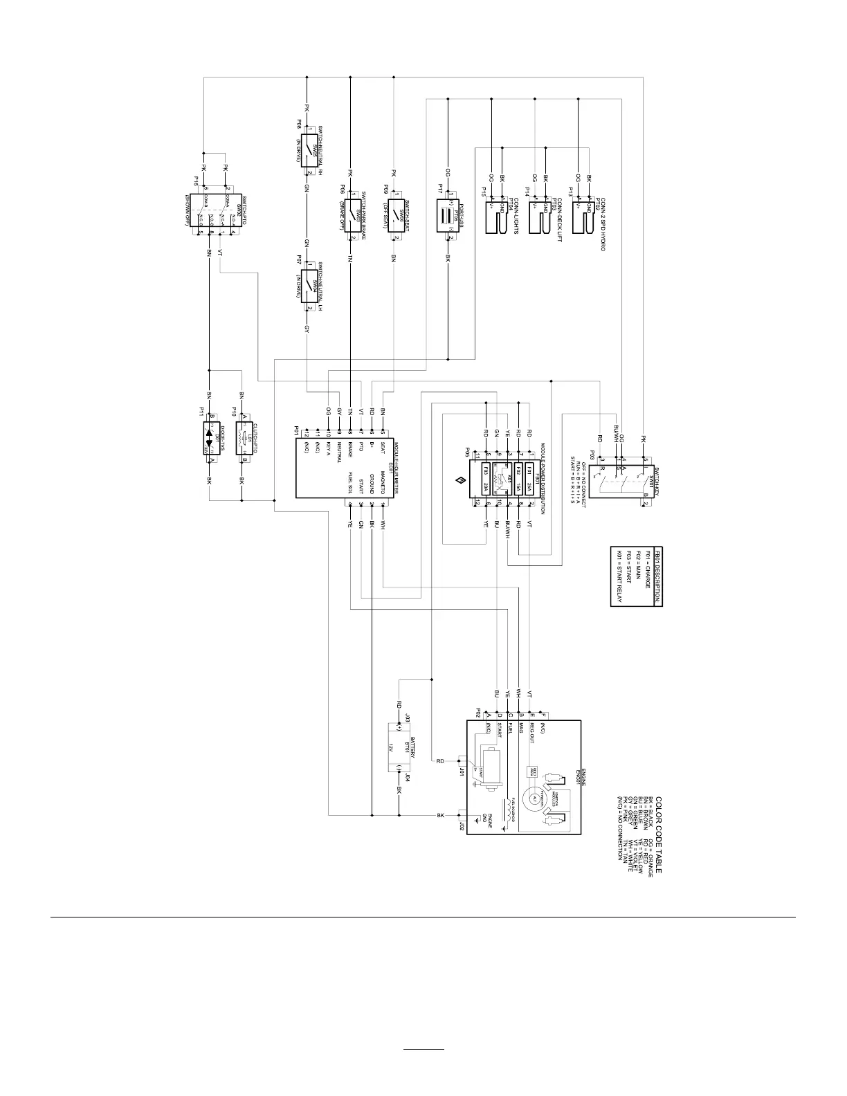
g338323
Kawasaki Engines Electrical Schematic—Page 1 (Rev . A)
72

Table of Contents

Related product manuals