EasyManua.ls Logo

Toro 74180 - Troubleshooting Common Issues

Toro 74180
44 pages
Print Icon
To Next Page IconTo Next Page
To Next Page IconTo Next Page
To Previous Page IconTo Previous Page
To Previous Page IconTo Previous Page
Loading...
Maintenance
37
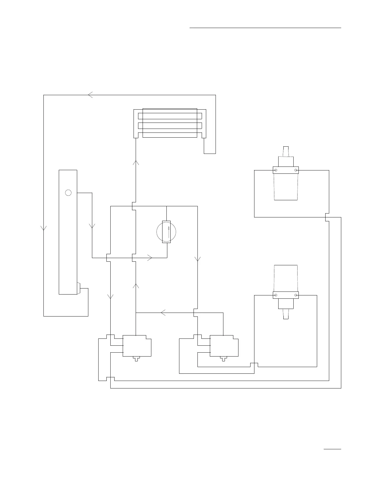
Hydraulic Diagram
HYDRAULIC TANK
REAR
PUMP
FILTER
RIGHT
MOTOR
LEFT
MOTOR
COOLER
A
B
94-4712
94-4705
FRONT
PUMP
A
B
I
94-4713
98-4384
98-4384
94-4710
94-4709
94-4714
C
B
A
C
A
I
B
94-4705

Related product manuals