EasyManua.ls Logo

Toro 74199 - Wiring Diagram

Toro 74199
52 pages
Print Icon
To Next Page IconTo Next Page
To Next Page IconTo Next Page
To Previous Page IconTo Previous Page
To Previous Page IconTo Previous Page
Loading...
47
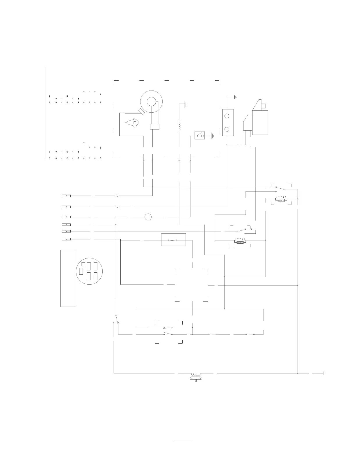
Wiring Diagram
m–6725
A
Y
4
3
2
T
I
T
Y
YOR
VIO
OR
IA
OR
KEY SW
B
S
X
GN
BU
BN
BK
BLUE
BROWN
T
R
TAN
RED
PINK
GND
BK
BK
GY
DK.GN
SHOWN WITH
LEVER IN
NEUTRAL
POSITION
LT.BU
DK.GN
BK
P1–B
P1–C P2–C
BN
T
BK
K1
(KILL RELAY)
DK.BU
R
HOUR
METER
OR R
SW1
W
F2
20A
OR
GY
R
OR/BK
ORANGE
GREY
GREEN
IGNITION
MODULE
Y
W
YELLOW
WHITE
VIOLET
SHOWN WITH
LEVER IN
NEUTRAL
POSITION
XS
+
YB
BLACK
GY
OR/BK
(IGNITION)
AC
AC
SPARK PLUG
LT.GN BK/R
LT.BU
LIGHT BLUE
DK.BU
DARK BLUE
OR/BK
ORANGE/BLACK
PK/BK
PINK/BLACK
VIO
PK
WIRE COLOR CODES
(NEUTRAL)
SW5
LT.BU
(BRAKE)
SW3
SHOWN WITH
PARK BRAKE
DISENGAGED
P1–A
PK/BK
KOHLER AIR–COOLED
DK.GN
DK.GN/W
DK.BU
SW6
(SEAT SW)
DK.GN
W
VIO
F1
20A
OIL
OIL
SWITCH
FUEL
FUEL
SOLINIOD
MAG
DK.GN/W
DARK GREEN/WHITE DARK GREEN
DK.GN
LT.GN
DELAY MODULE
100–6186
SHOWN IN
OFF POSITION
2
3
5
4
1
SHOWN WITH
OPERATOR
IN SEAT
+
BATTERY
GND
ST
B
STARTER
REG
SWITCH CLOSES
WITH PRESSURE
LIGHT GREEN BLACK/RED
SW4
(NEUTRAL)
(PTO)
SW2
PTO
CLUTCH
TERMINAL VIEW FROM
BACK OF SWITCH
OFF NO CONNECTION
ON B I A AND X Y
START B I S
KEY SWITCH PN 88–9830
2
3
5
4
1
(START RELAY)
K2

Table of Contents

Related product manuals