EasyManua.ls Logo

Toro 74243 - Toro Z Master Wiring Diagram

Toro 74243
56 pages
Print Icon
To Next Page IconTo Next Page
To Next Page IconTo Next Page
To Previous Page IconTo Previous Page
To Previous Page IconTo Previous Page
Loading...
52
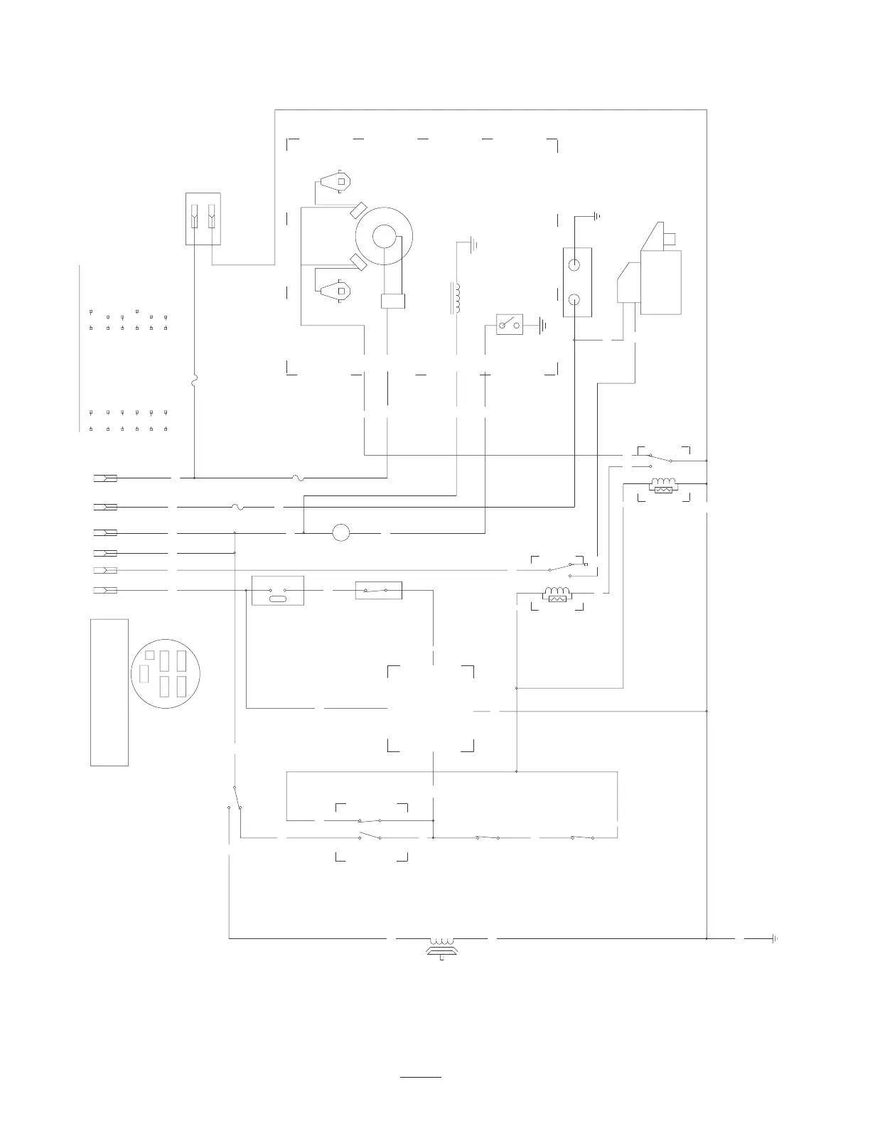
Wiring Diagram
A
Y
Y
R
GY
Y
Y
I
GN
PK
PK
VIO
W
T
W
IA
R
PK
KEY SW
B
S
X
PK
VIO
ORANGE
BLACK
PK
GND
BK
BK
BN
SHOWN WITH
LEVER IN
NEUTRAL
POSITION
VIO
BK
P1–B
P1–C
OR
P2–C
T
GY
BN
Y
BNOR
BK
K1
(KILL RELAY)
Y
HOUR
METER
R
PK R
S
W1
GYW
F2
20A
GN
4
3
W
2
GREY
GREEN
BLUE
BROWN
BU
VIO
SHOWN WITH
LEVER IN
NEUTRAL
POSITION
SHOWN IN
OFF POSITION
GY
SX
–+
YB
1
BN
BU
OR
BN
BK
(IGNITION)
A
B
(NEUTRAL)
SW5
VIO
(BRAKE)
SW3
SHOWN WITH
PARK BRAKE
DISENGAGED
P1–A
SW6
(SEAT SW)
F1
20A
GY
GN
BU
+
BATTERY
GND
YELLOW
WHITE
VIOLET
TAN
RED
PINK
WIRE COLOR CODES
DELAY MODULE
100–6186
2
3
5
4
1
SHOWN WITH
OPERATOR
IN SEAT
ST
B
STARTER
HEADLIGHT
HARNESS
CONNECTOR
SW4
(NEUTRAL)
(PTO)
SW2
REG
MAG
FUEL
OIL
AC
FUEL
SOLINIOD
OIL
SWITCH
SPARK PLUG SPARK PLUG
IGNITION
MODULES
AC
PTO
CLUTCH
TERMINAL VIEW FROM
BACK OF SWITCH
OFF NO CONNECTION
ON BIA AND XY
START B I S
KEY SWITCH PN 88–9830
2
3
5
4
1
(START RELAY)
K2
SWITCH OPENS
WHEN TILTED
PAST 60 DEGREES
FROM VERTICAL
SW7
(TILT SW)
10A
F3

Table of Contents

Related product manuals