EasyManua.ls Logo

Toro 74249 - Schematics

Toro 74249
60 pages
Print Icon
To Next Page IconTo Next Page
To Next Page IconTo Next Page
To Previous Page IconTo Previous Page
To Previous Page IconTo Previous Page
Loading...
Schematics
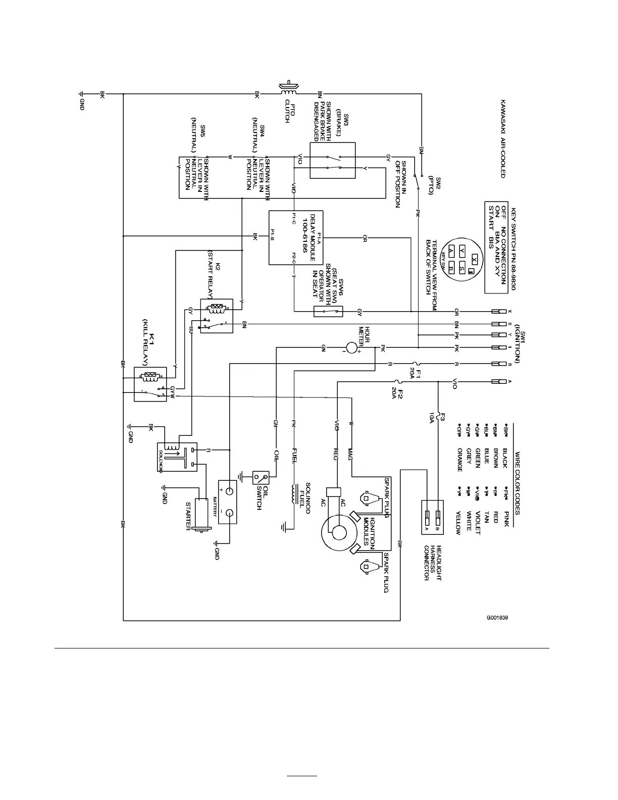
Wire Diagram (Rev. A)
56

Table of Contents

Related product manuals