EasyManua.ls Logo

Toro 74266 - Page 66

Toro 74266
80 pages
Print Icon
To Next Page IconTo Next Page
To Next Page IconTo Next Page
To Previous Page IconTo Previous Page
To Previous Page IconTo Previous Page
Loading...
4.OpenthethrottletoFAST.
Note:Makesurethatthewheelremains
stoppedorslightlycreepsinreverse;adjustif
necessary.
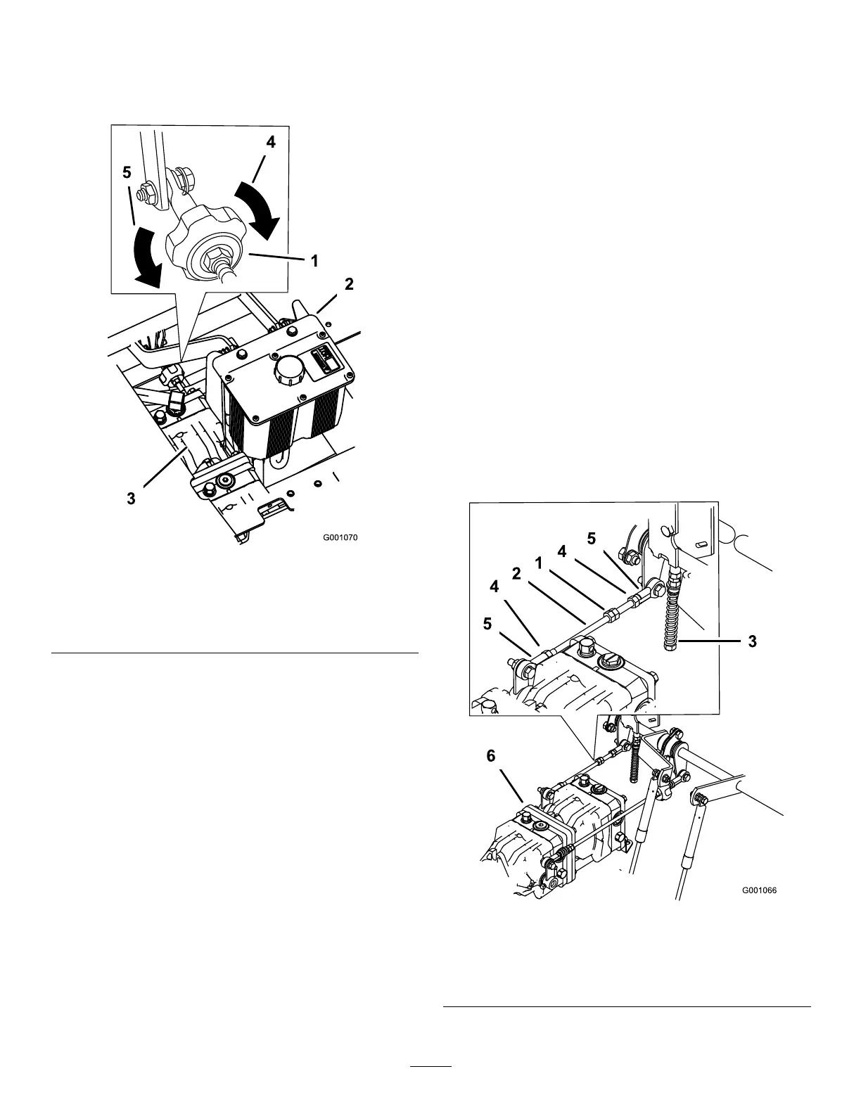
g001070
Figure90
1.Trackingknob4.Turnthiswaytotrackright
2.Hydraulictank
5.Turnthiswaytotrackleft
3.Hydraulicpumps
SettingtheLeftHydraulicPump
NeutralPosition
1.Loosenthelocknutsattheballjointsonthe
pumpcontrolrod(Figure91).
2.Starttheengine,openthethrottle1/2wayand
disengageparkingbrake;refertoStartingand
ShuttingOfftheEngine(page24).
Note:Themotion-controllevermustbein
neutralwhilemakinganyadjustments.
Note:Thefrontnutonthepumprodhas
left-handthreads.
3.Adjustthepumprodlengthbyrotatingdouble
nutsonrod,intheappropriatedirection,until
wheelisstillorslightlycreepsinreverse(Figure
91).
4.Movethemotion-controlleverforwardand
reverse,thenbacktoneutral.Thewheelmust
stopturningorslightlycreepinreverse.
5.Openthethrottletofast.Makesurethatthe
wheelremainsstoppedorslightlycreepsin
reverse,adjustifnecessary.
6.Tightenthelocknutsattheballjoints(Figure91).
g001066
Figure91
1.Doublenuts4.Locknut
2.Pumprod5.Balljoint
3.Adjustmentbolt6.Pumps
66

Table of Contents

Related product manuals