EasyManua.ls Logo

Toro 75754 - Schematics

Toro 75754
56 pages
Print Icon
To Next Page IconTo Next Page
To Next Page IconTo Next Page
To Previous Page IconTo Previous Page
To Previous Page IconTo Previous Page
Loading...
Schematics
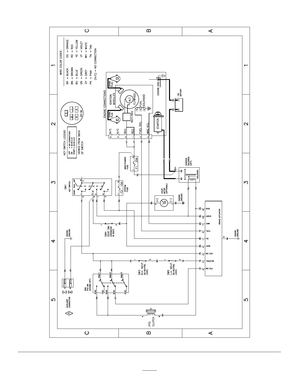
g307974
ElectricalDiagram139-2356(Rev.A)
54

Table of Contents

Other manuals for Toro 75754

Related product manuals