EasyManua.ls Logo

Toro MX 5050 - Schematics

Toro MX 5050
52 pages
Print Icon
To Next Page IconTo Next Page
To Next Page IconTo Next Page
To Previous Page IconTo Previous Page
To Previous Page IconTo Previous Page
Loading...
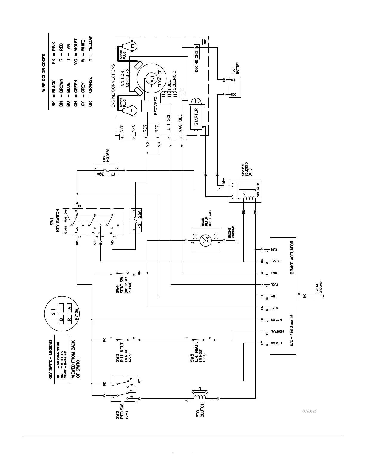
Schematics
g028022
ElectricalDiagram(Rev.A)
48

Table of Contents

Related product manuals